EasyManua.ls Logo

Enviro Q1LI - Initial Installation; Electrical Requirements:

Enviro Q1LI
52 pages
Print Icon
To Next Page IconTo Next Page
To Next Page IconTo Next Page
To Previous Page IconTo Previous Page
To Previous Page IconTo Previous Page
Loading...
Initial Installation
QUALIFIED INSTALLERS ONLY
eLectRicaL RequiRements:
The replace must be electrically connected and grounded in accordance with local codes or, in the absence
of local codes, with the current CSA C22.1 Canadian Electrical Code Part 1, Safety Standards For Electrical
Installations, or The National Electrical Code ANSI / NFPA 70 in the US.
WARNING: The electrical grounding instructions must be followed. The unit is equipped with a three-prong
(grounding) plug for your protection against shock hazard, and should be plugged directly into a properly
grounded three-prong outlet. DO NOT cut or remove the grounding prong from this plug.
CAUTION: When servicing controls, label all wires prior to disconnection. Wiring errors can cause improper and
dangerous operation. Verify proper operation after servicing.
If any of the original wire as supplied with the appliance must be replaced, it must be replaced with 18 AWG
wire with a temperature rating of 105°C
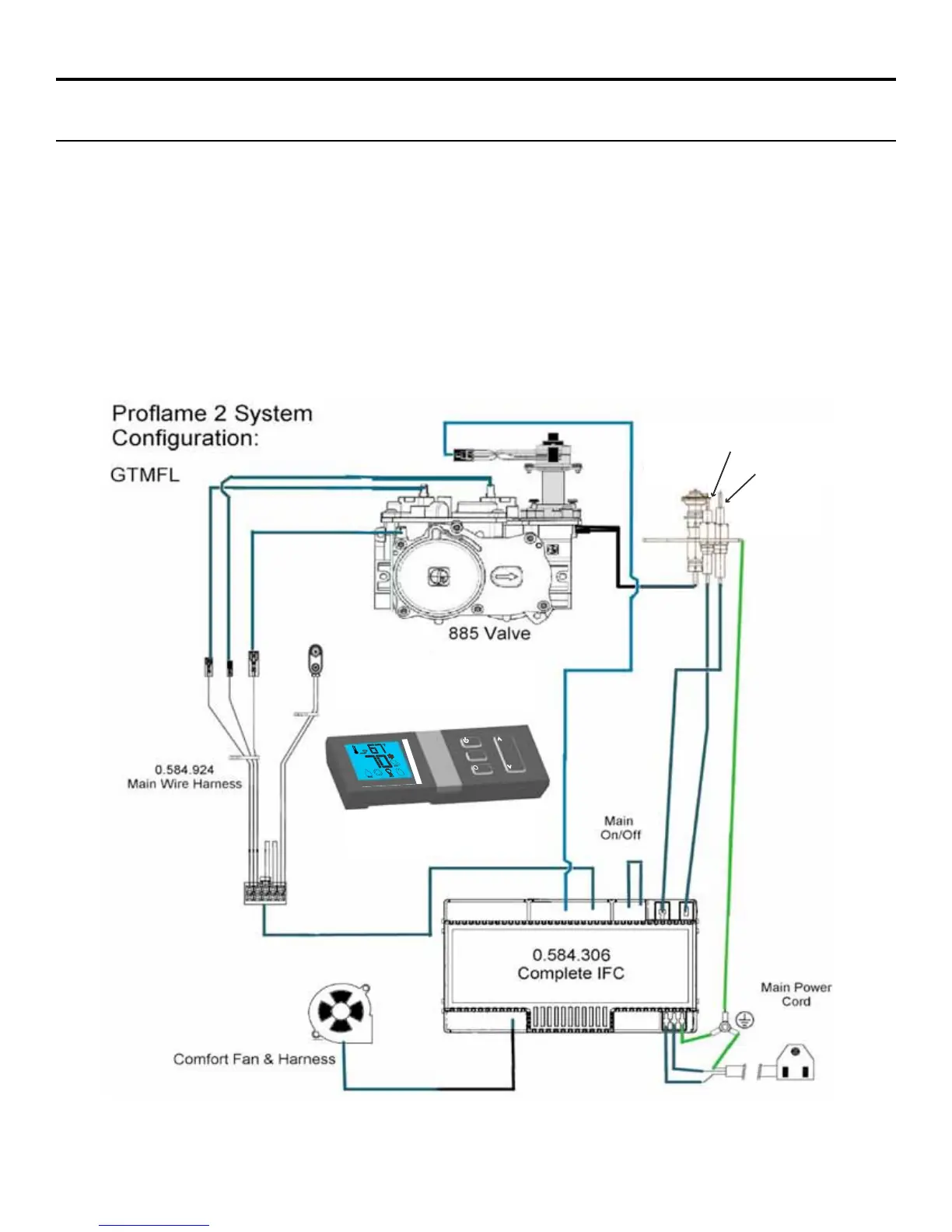
Figure 49: Wiring diagram.
40
Battery Holder
(4 x AA)
index through Thermostat functions (Fig. 1 & 2). Additionally, a Key Lock feature is provided (Fig. 23).
Fig. 1:
Transmitter
Proame Transmitter
0.584.045
Spark Electrode
Flame Sensor
IPI Pilot

Related product manuals