EasyManua.ls Logo

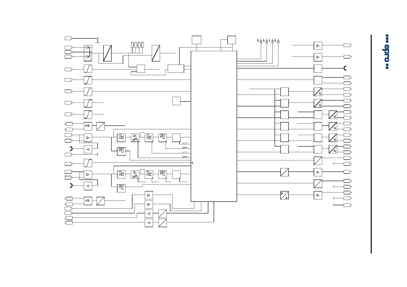
epro MMS 6000 - Fig. 1: Block Diagram

epro MMS 6000
52 pages
Print Icon
To Next Page IconTo Next Page
To Next Page IconTo Next Page
To Previous Page IconTo Previous Page
To Previous Page IconTo Previous Page
Loading...
MMS6110Directionforuse
Figures Page47
  






 !!
""# "!"
$%
$%
&'
( 
 !""
')
%
*)
+
$%
$%
#)
#%
#%
#%
%$
$
$
*
$
%
$
$
%
+
$
%
$
$
%
+
$%
$%
$%
$%
%
$
%
+
%
$
%
+
%
$
%
+
%
$
%
+
,
)
,
%
'
&
,
)
,
%
'
&
&
'
( # !""
-##
-##
""#(#
""#(#
""##
""##
-
.
#
#
-
.
#
#
#/01
2(*34
3


'
-## !""
# (
)
5
%
5
%
5
)
5
3
, ,
,
,
4
4
4
4
4
4
4
4
44
4
4
4
4
4
,34
4
4
4
4
4
,34
3
3
3 3
*#/#$#22
4
4
6 77
6 77
$%
$%
7
"
8#9
6
(
1
(
(
(/
1
12
62
1
1/
6/
1
1
2
(
1
1
2
1
1
/
1
(
2
(
6
2
6
(
/
(
6
/
6
1
6
1
1
/
6
/
(
6
6

+,
+,
+4
+4
62
6
(
(2
(2
6
#)
#%
# !!
##/0:
(*34
  

;+<
#%
#%
#/01
2(*34
!   3
-## !""
(
(
(/

3
3
3
3
# !!
!.
%
"#
z2
3
#
3
#
!
5../
!
5../
$%
$%
%
"#
(=

31
(*34
/1..01
>(*34
31
(*34
/1..01
>(*34
8
#
&'
&
'
6
M
M
S
6
1
1
0
F
i
g
.
1
B
l
o
c
k
d
i
a
g
r
a
m
B
l
o
c
k
s
c
h
a
l
t
b
i
l
d
2/%////#?@/
$ABB2/.//
Fig.1: Blockdiagram

Table of Contents