EasyManua.ls Logo

Epson RX8130CE - Page 45

Epson RX8130CE
69 pages
Print Icon
To Next Page IconTo Next Page
To Next Page IconTo Next Page
To Previous Page IconTo Previous Page
To Previous Page IconTo Previous Page
Loading...
15 Battery backup switchover function
RX8130CE Jump to Top / Bottom
ETM50E-07 Seiko Epson Corporation 44
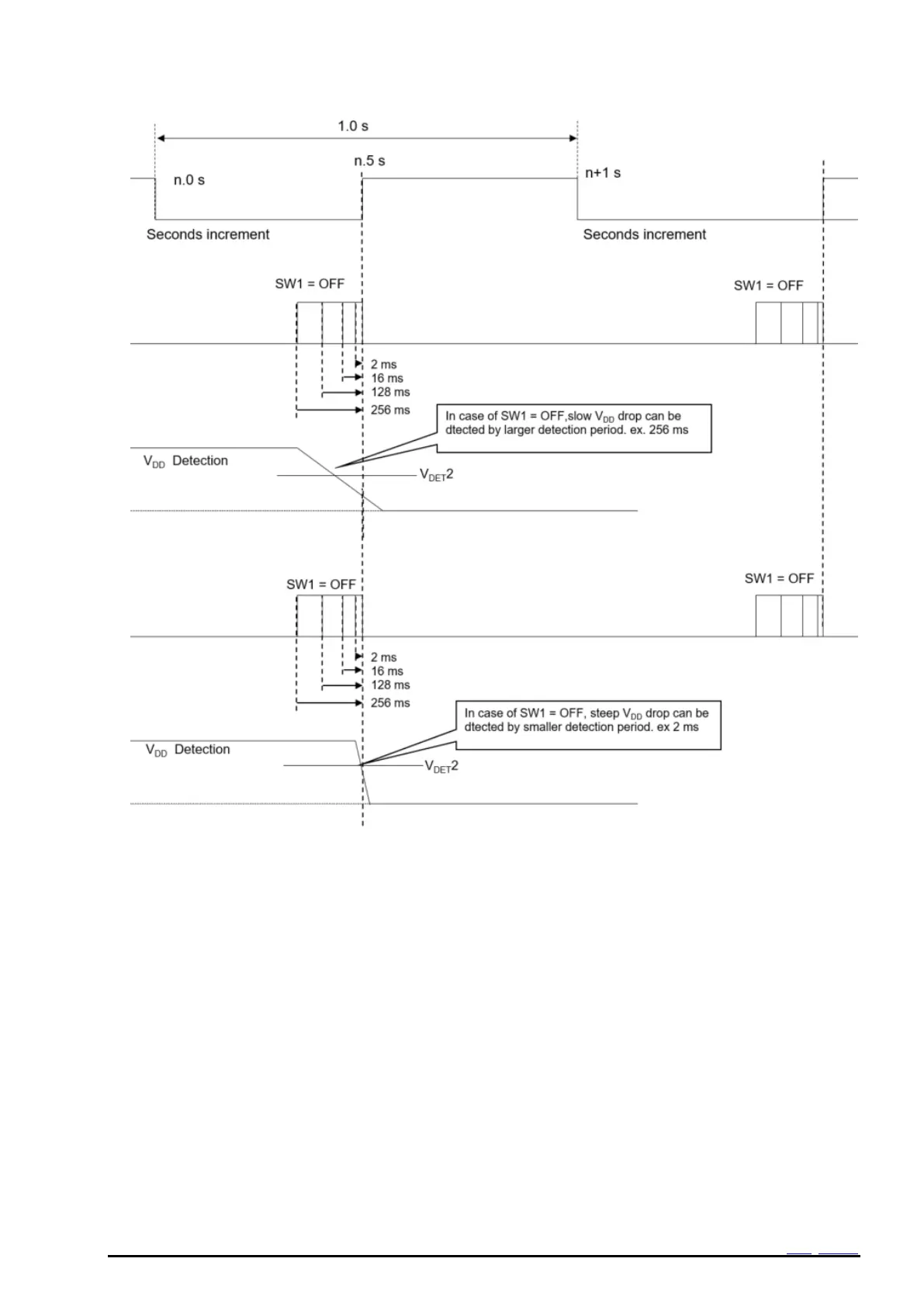
Figure 33 V
DD
detection (VDET2) timing
V
DD
voltage drop detection (V
DET
2) is work always, in Normal mode.
Shorter SW1:OFF times are suitable to detect fast external voltage drops on V
DD
. On the other hand, in order to detect a
slower external voltage drop on V
DD
, a longer SW1:OFF detection time is needed. But longer SW1:OFF period increases
the current consumption.
Users are requested to evaluate SW1:OFF period based on actual system configuration and characteristics.
In backup mode V
DD
detection (V
DET
2) is activated once every 31.25 ms.
Note: Re-chargeable battery is charged through diode during1 the term of SW1 = OFF. Longer this term (ex. 256 ms)
makes decreasing battery charging efficiency.

Table of Contents

Related product manuals