EasyManua.ls Logo

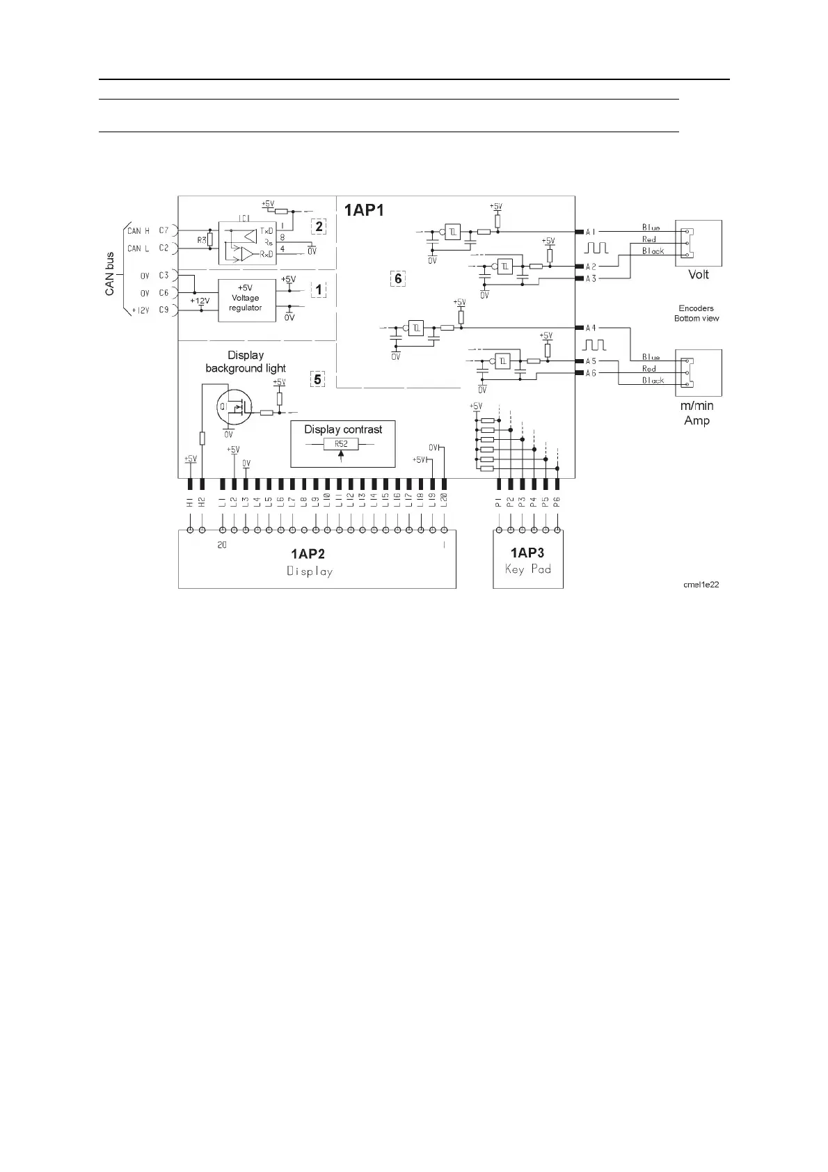
ESAB Aristo U6 - Technical Diagrams; Circuit Board Components Diagram

ESAB Aristo U6
56 pages
Print Icon
To Next Page IconTo Next Page
To Next Page IconTo Next Page
To Previous Page IconTo Previous Page
To Previous Page IconTo Previous Page
Loading...
DIAGRAM
0459 287 601
- 36 -
© ESAB AB 2020
DIAGRAM

Other manuals for ESAB Aristo U6

Related product manuals