EasyManua.ls Logo

ESAB AristoMig U400 - 20 AP2 Circuit Diagram

ESAB AristoMig U400
100 pages
Print Icon
To Next Page IconTo Next Page
To Next Page IconTo Next Page
To Previous Page IconTo Previous Page
To Previous Page IconTo Previous Page
Loading...
Edition 050614
-- 4 9 --cu20d_20_2
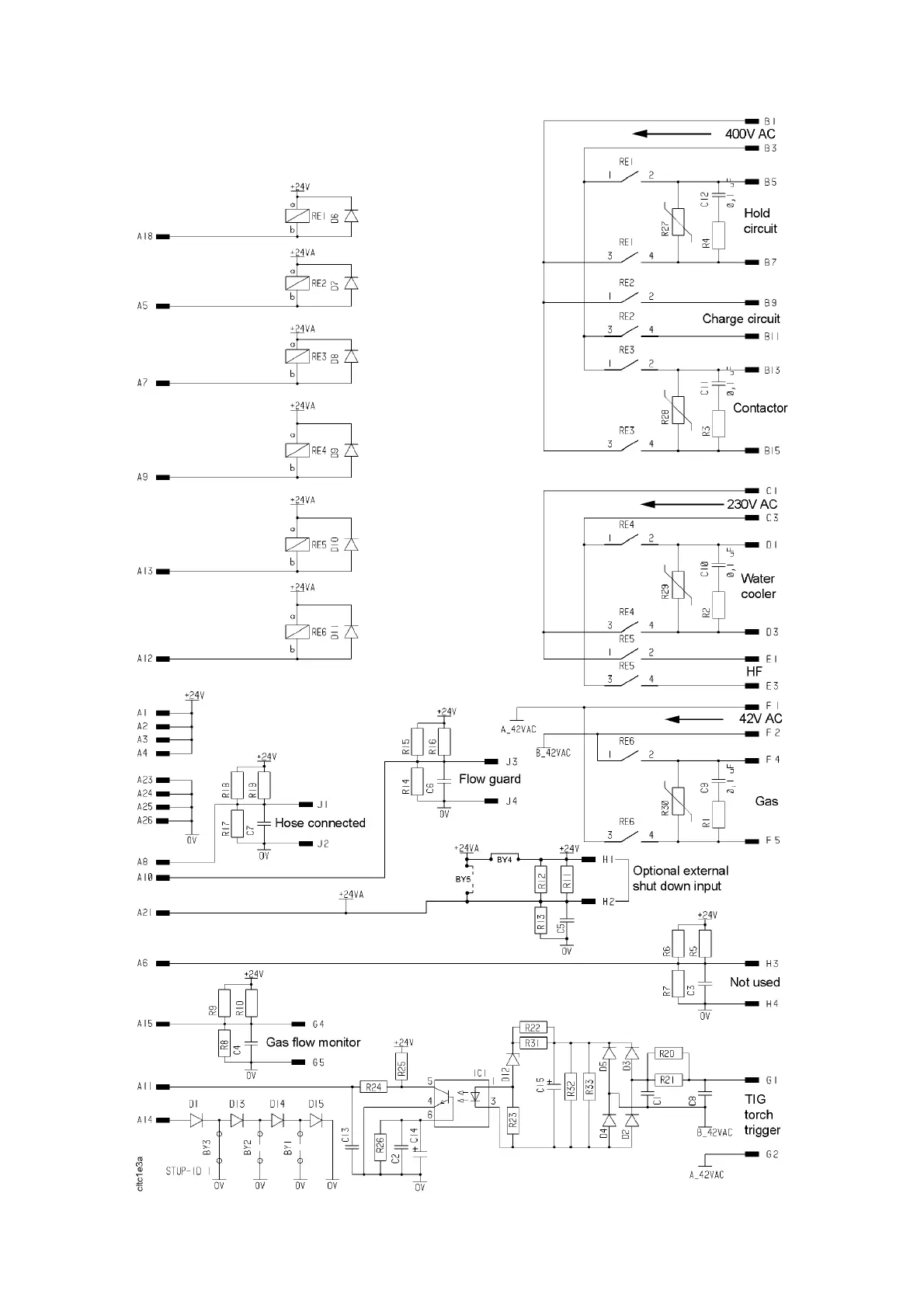
20AP2 Circuit diag ram

Table of Contents