EasyManua.ls Logo

EST Encon Evolution - Page 63

EST Encon Evolution
72 pages
Print Icon
To Next Page IconTo Next Page
To Next Page IconTo Next Page
To Previous Page IconTo Previous Page
To Previous Page IconTo Previous Page
Loading...
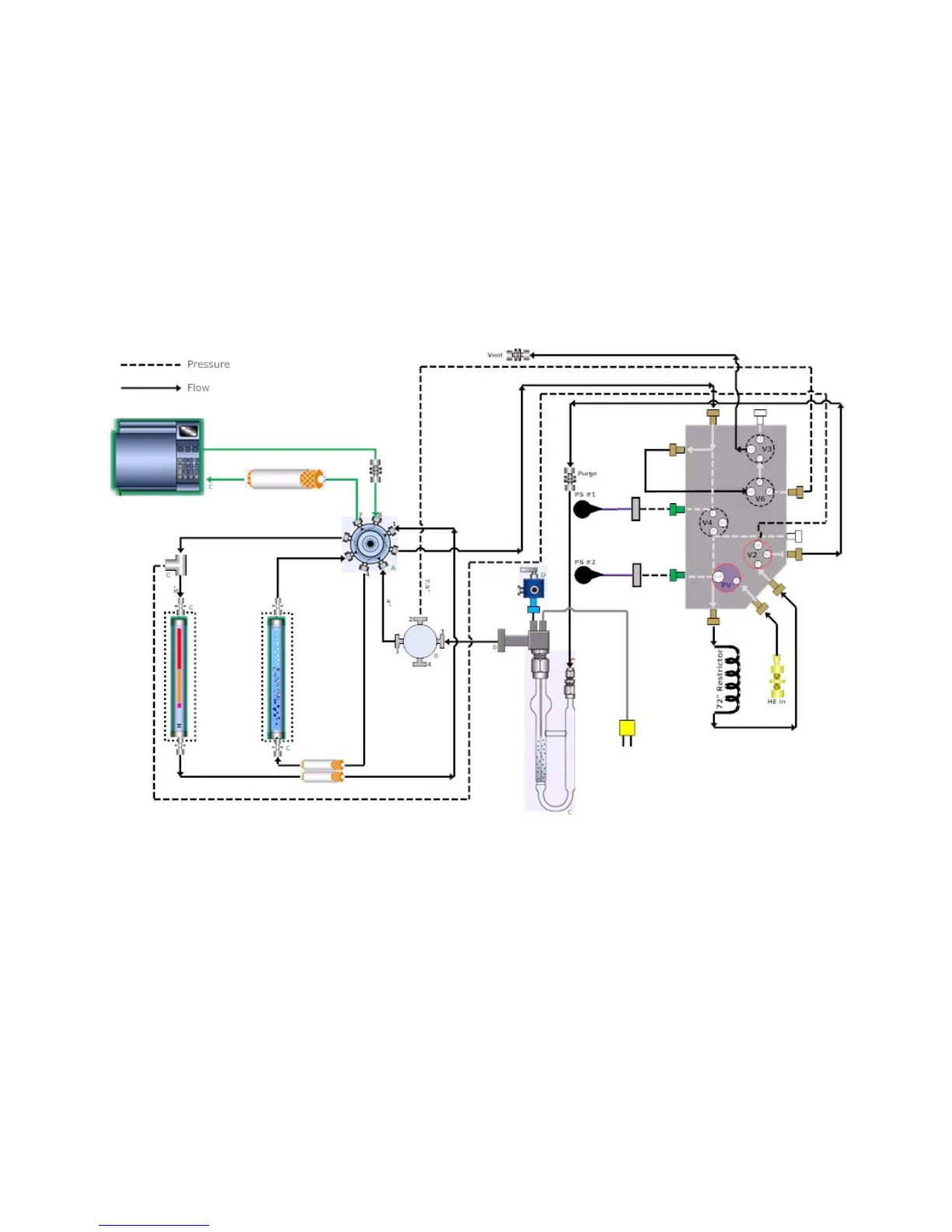
Figure 5.2: Purge Flow Diagram

Related product manuals