EasyManua.ls Logo

EST Encon Evolution - Page 65

EST Encon Evolution
72 pages
Print Icon
To Next Page IconTo Next Page
To Next Page IconTo Next Page
To Previous Page IconTo Previous Page
To Previous Page IconTo Previous Page
Loading...
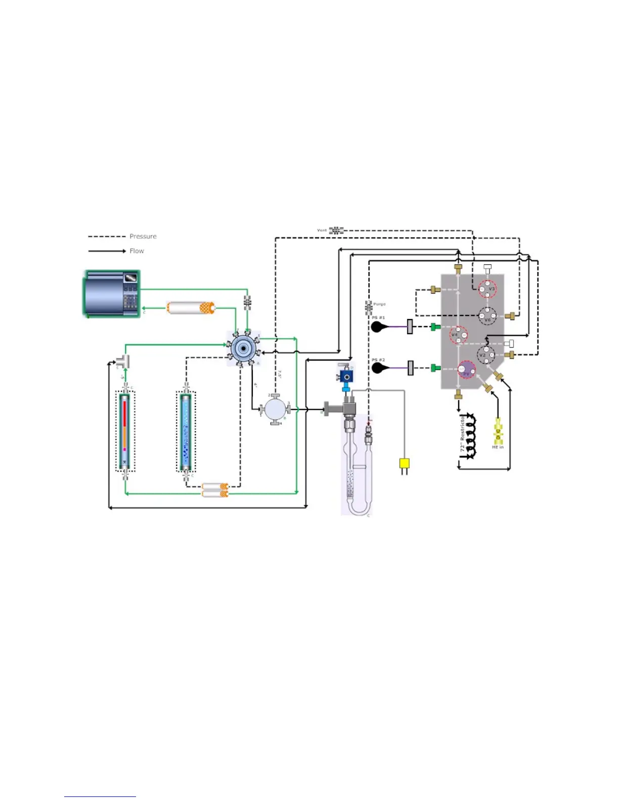
Figure 5.4: Desorb Flow Control Flow Diagram

Related product manuals