EasyManua.ls Logo

EST Encon Evolution - Page 70

EST Encon Evolution
72 pages
Print Icon
To Next Page IconTo Next Page
To Next Page IconTo Next Page
To Previous Page IconTo Previous Page
To Previous Page IconTo Previous Page
Loading...
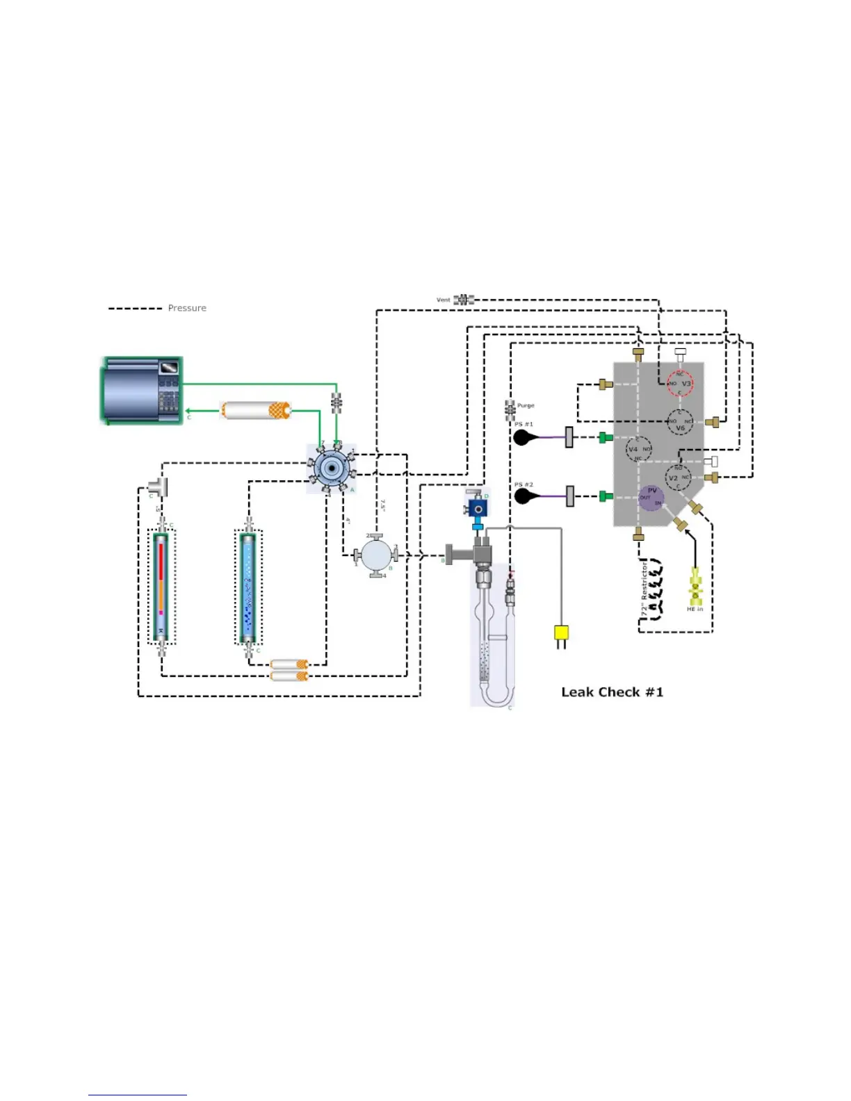
Figure 5.9: Leak Check Flow Diagram 1

Related product manuals