EasyManua.ls Logo

Eureka E110 - PRIMARY FUNCTIONS AND CONTROLS; CONTROL PANEL OVERVIEW

Eureka E110
59 pages
Print Icon
To Next Page IconTo Next Page
To Next Page IconTo Next Page
To Previous Page IconTo Previous Page
To Previous Page IconTo Previous Page
Loading...
13
PRIMARY FUNCTIONS AND CONTROLS
CONTROL PANEL
CHEMICAL
1.5%
2%
3%
4%
1%
ON/OFF
1
2
3
4
5
6
7
8
9
10
11
12
13
14
15
16
17
18
19
20
1
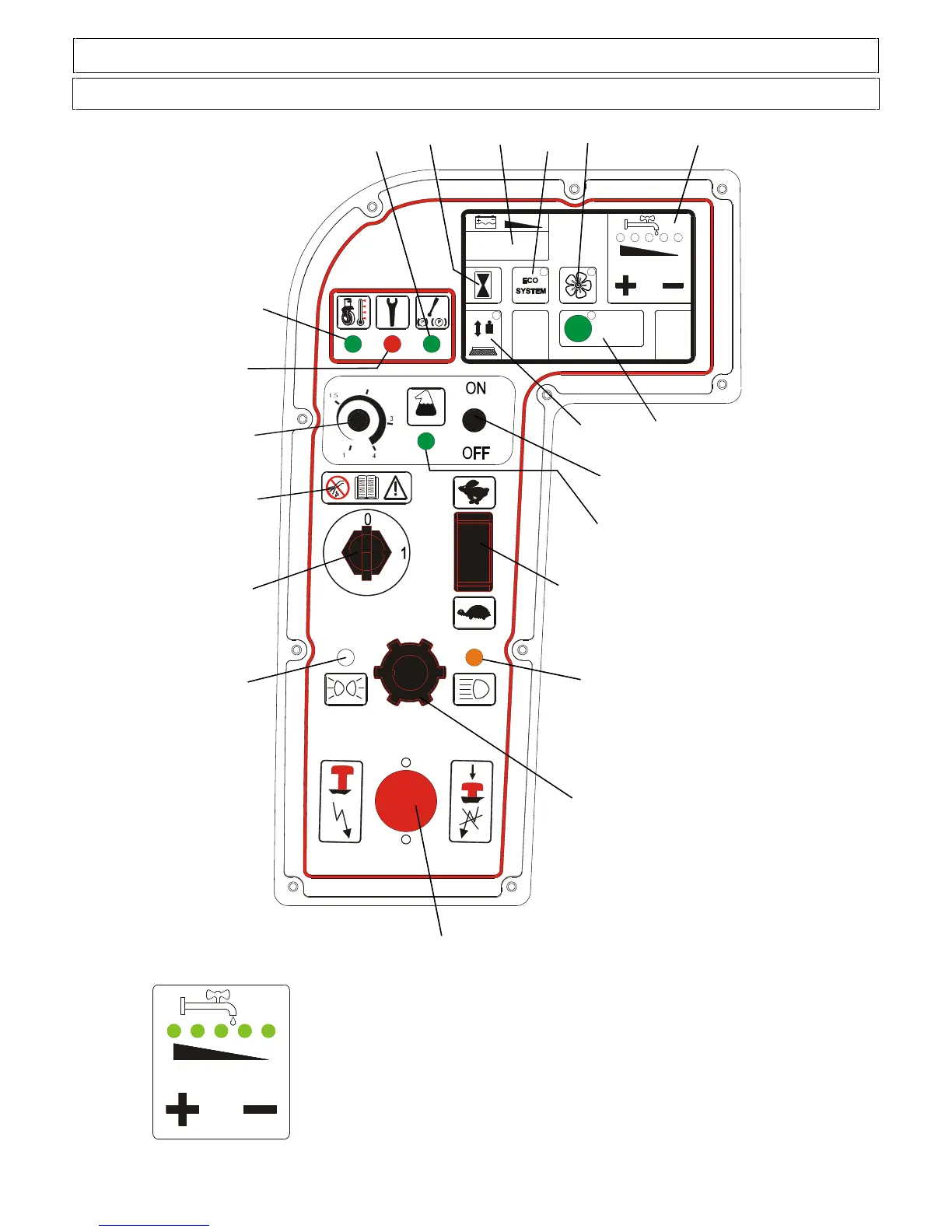
WATER ADJUSTMENT BUTTONS
Use the buttons + or to set the maximum quantity of water to use for the operation.
Press the + button to increase the quantity of water; the 5 green led lights on the
panel come on progressively one at a time.
Each led light is associated with a maximum pre-set quantity of water.
Press the - button to decrease the quantity of water; the 5 led lights will go out
progressively one at a time. The water is shut off when all the led lights are off.
The machine keeps memory of the preset quantity of water even when switched off.
If the 5 led lights start flashing at the same time, this means that there is no solution
into the tank.

Table of Contents

Other manuals for Eureka E110

Related product manuals