EasyManua.ls Logo

EWM Tetrix 350 - Advanced Settings; TIG Non-Latched Operating Mode, C Version

EWM Tetrix 350
115 pages
Print Icon
To Next Page IconTo Next Page
To Next Page IconTo Next Page
To Previous Page IconTo Previous Page
To Previous Page IconTo Previous Page
Loading...
Design and function
Advanced settings
099-004854-EW501
19.02.2014
89
5.18 Advanced settings
5.18.1 TIG non-latched operating mode, C version
ENTER
+
EXIT NAVIGATION
l
0
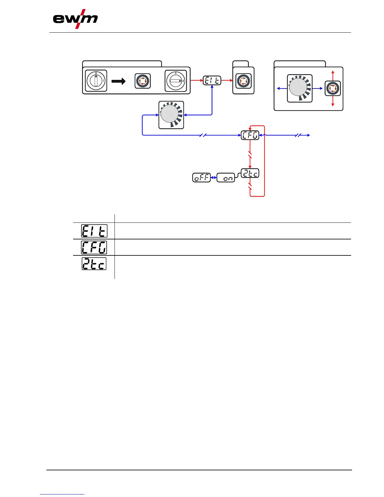
Figure 5-38
Display
Setting/selection
Exit the menu
Exit
Machine configuration
Settings for machine functions and parameter display
Non-latched operation (C version)
on = on
off = off (factory setting)

Table of Contents

Related product manuals