EasyManua.ls Logo

EWM Tetrix 350 - Ramp Function Foot-Operated Remote Control RTF 1

EWM Tetrix 350
115 pages
Print Icon
To Next Page IconTo Next Page
To Next Page IconTo Next Page
To Previous Page IconTo Previous Page
To Previous Page IconTo Previous Page
Loading...
Design and function
Advanced settings
92
099-004854-EW501
19.02.2014
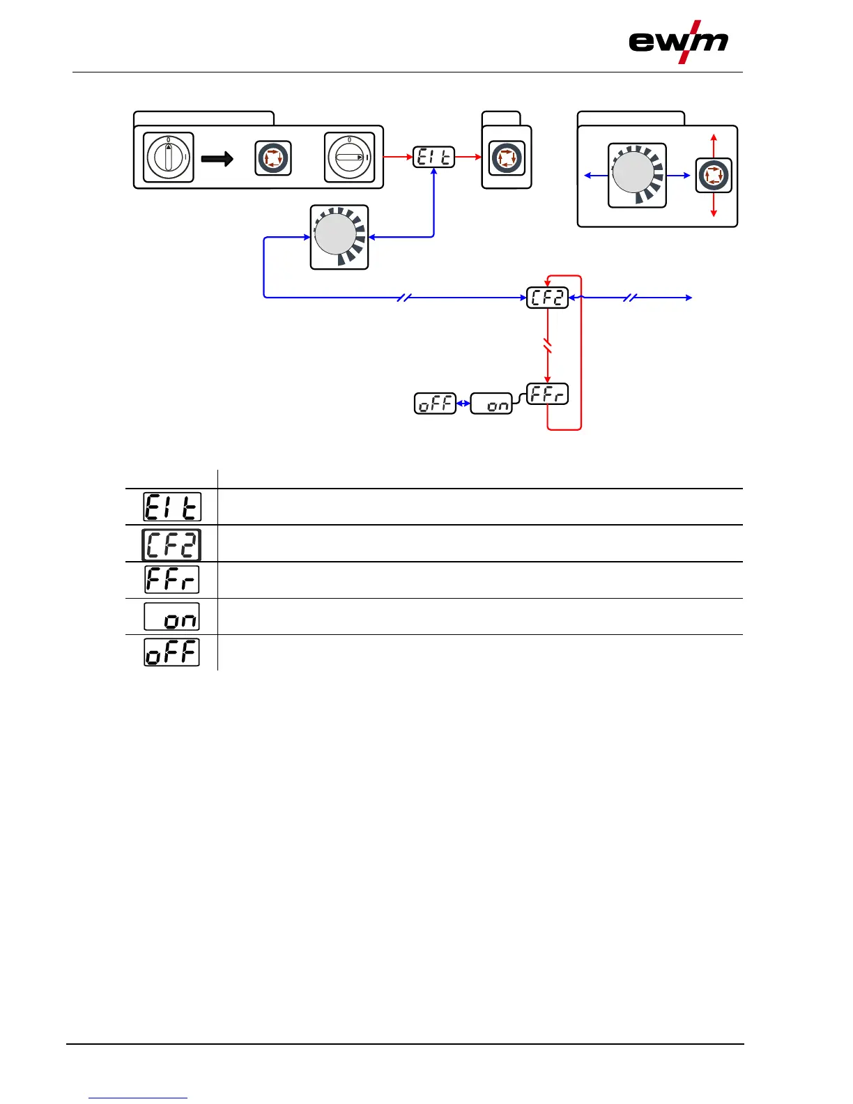
5.18.4 Ramp function foot-operated remote control RTF 1
ENTER
+
EXIT NAVIGATION
l
0
Figure 5-41
Display
Setting/selection
Exit the menu
Exit
Machine configuration (part two)
Settings for machine functions and parameter display
Ramp function Remote control RTF 1
The ramp function can be switched on and off
Switch on
Switching on machine function
Switch off
Switching off machine function

Table of Contents

Related product manuals