EasyManua.ls Logo

FCI MT86 - Page 41

FCI MT86
54 pages
Print Icon
To Next Page IconTo Next Page
To Next Page IconTo Next Page
To Previous Page IconTo Previous Page
To Previous Page IconTo Previous Page
Loading...
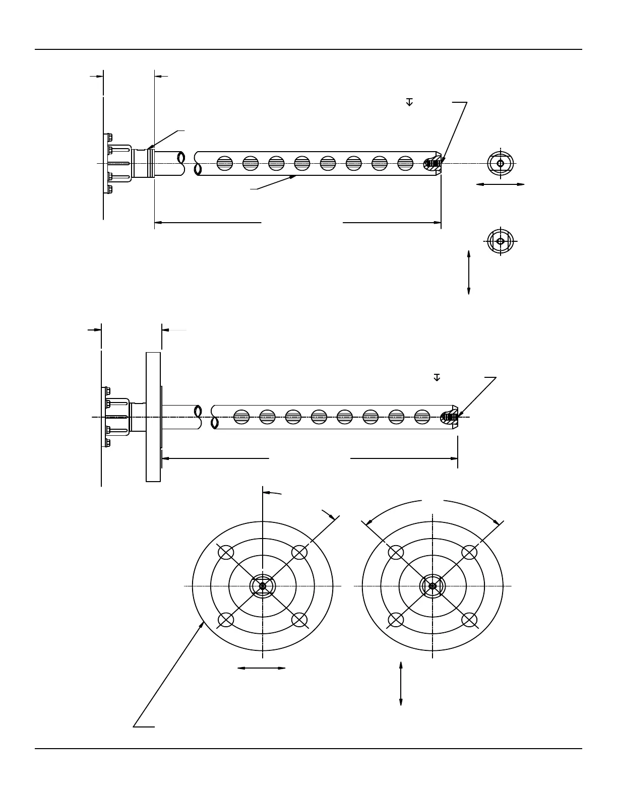
MT86/MT86HT Flow Meter APPENDIX A DRAWINGS
Fluid Components International LLC 37
±.25
2 INCH NPT
1/2-13UNC-2B
HORIZONT
AL
FLOW
APPLICATIONS
VERTICAL
FLOW
APPLICATIONS
APPLICATIONS
HORIZONTAL
1/2X°
FLOW
APPLICATIONS
FLOW
VERTICAL
±.25
1/2-13UNC-2B
1.00
1.00
U-LENGTH
Ø2.06 MAX
3.35
U-LENGTH
3.75
2 INCH 150# RFSS FLANGE
C00270-1-1
[85]
(CUSTOMER SPECIFIED)
(CUSTOMER SPECIFIED)
[95]

Table of Contents

Related product manuals