EasyManua.ls Logo

Festo CPX-FB23 - Diagnostics Via Leds

Festo CPX-FB23
84 pages
Print Icon
To Next Page IconTo Next Page
To Next Page IconTo Next Page
To Previous Page IconTo Previous Page
To Previous Page IconTo Previous Page
Loading...
4 Diagnostics and error handling
Festo P.BE-CPX-FB23-24-EN 1305a English 53
4.4 Diagnostics via LEDs
LEDs for the diagnostics of the CPX terminal are available on the bus node as well as on the individual
modules.
The meaning of the LEDs on the electric modules c an be found in the description for the
relevant module.
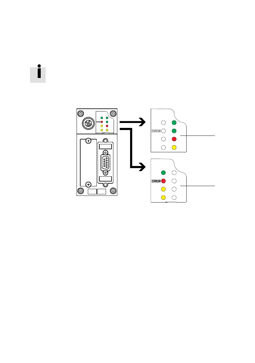
LEDs at the bus node CPX-FB23-24
The LEDs on the c over indicate the operating status of the CPX bus node.
PS
PM
SF
Run
SD
RD M
Run PS
PM
SF
M
SD
RD
PS
PM
SF
Run
SD
RD
M
1
2
1 CPX-specific LEDs:
PS (green)
PL ( green)
–SF(red)*)
M (yellow)
2 CC-Link-specific LEDs:
RUN (green)
ERROR (red)
SD (yellow)
RD (yellow)
*) The SF LED a lso shows CC-Link-specific faults
Fig. 4.1 LEDs on the CPX bus node CPX-FB23-24

Table of Contents

Other manuals for Festo CPX-FB23

Related product manuals