EasyManua.ls Logo

Fibocom FM350-GL - SIM Card Slot

Fibocom FM350-GL
67 pages
Print Icon
To Next Page IconTo Next Page
To Next Page IconTo Next Page
To Previous Page IconTo Previous Page
To Previous Page IconTo Previous Page
Loading...
Reproduction forbidden without Fibocom Wireless Inc. written authorization - All Rights Reserved.
FM350-GL Hardware Guide Page 37 of 67
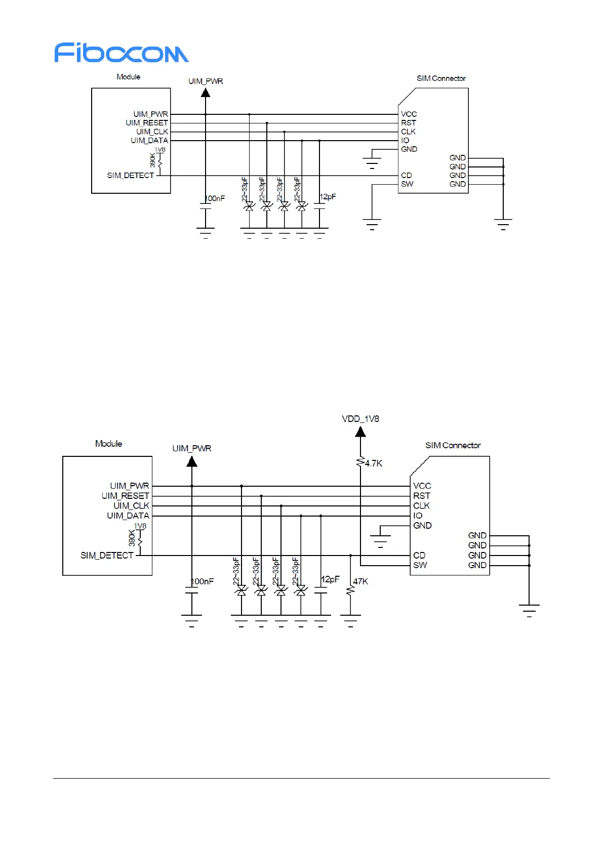
Figure 3-16 Reference circuit for N.C. SIM card slot
The principles of the N.C.SIM card slot are described as follows:
When the SIM card is detached, it connects the short circuit between CD and SW pins, and drives
the SIM_DETECT pin low.
When the SIM card is inserted, it connects an open circuit between CD and SW pins, and drives the
SIM_DETECT pin high.
3.5.2.2 N.O. SIM Card Slot
The reference circuit design for N.O. (Normally Open) SIM card slot is shown in Figure 3-17:
Figure 3-17 Reference circuit for N.O. SIM card slot
The principles of the N.O.SIM card slot are described as follows:
When the SIM card is detached, it connects an open circuit between CD and SW pins, and drives
the SIM_DETECT pin low.
When the SIM card is inserted, it connects the short circuit between CD and SW pins, and drives the
SIM_DETECT pin high.

Related product manuals