EasyManua.ls Logo

Fibocom FM350-GL - RF Connector Dimension

Fibocom FM350-GL
67 pages
Print Icon
To Next Page IconTo Next Page
To Next Page IconTo Next Page
To Previous Page IconTo Previous Page
To Previous Page IconTo Previous Page
Loading...
Reproduction forbidden without Fibocom Wireless Inc. written authorization - All Rights Reserved.
FM350-GL Hardware Guide Page 44 of 67
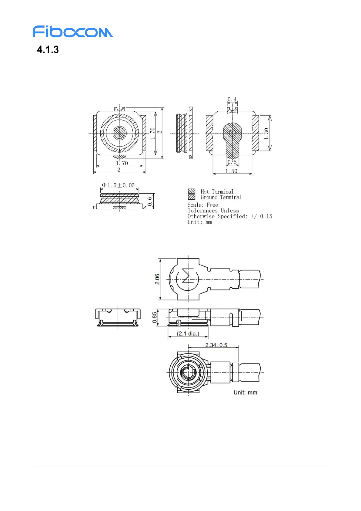
RF Connector Dimension
FM350 module uses standard M.2 RF connectors. The RF connector part number is 818004607
manufactured by ECT Corporation, and the connector size is 2x2x0.6m. The connector dimension is
shown as following picture:
Figure 4-2 RF connector dimensions
Figure 4-3 0.81mm coaxial antenna dimensions

Related product manuals