EasyManua.ls Logo

Finn HydroSeeder T280 - Page 84

Finn HydroSeeder T280
100 pages
Print Icon
To Next Page IconTo Next Page
To Next Page IconTo Next Page
To Previous Page IconTo Previous Page
To Previous Page IconTo Previous Page
Loading...
T280 / T330 / T400
MMA2017 Rev. D
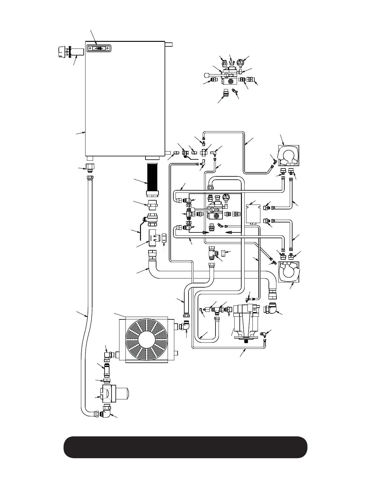
78
WHEN ORDERING PARTS, BE SURE TO STATE
SERIAL NUMBER OF MACHINE
16
55
49
56
51
7
47
6
5
40
12
4
33
10
20
42
A
DETAIL A
14
31
31
3
54
36
36
13
34
2
8
11
30
53
27
27
37
37
1
1
1
1
44
44
52
25
39
22
25
38
23
21
43
24
29
41
23
18
9
18
15
32
45
17
28
35
26
50
57
Note:
Items #1-46 are part of
Hydraulic Kit 013059

Table of Contents

Other manuals for Finn HydroSeeder T280

Related product manuals