EasyManua.ls Logo

Fire-Lite ACC-25 - Page 43

Fire-Lite ACC-25
144 pages
Print Icon
To Next Page IconTo Next Page
To Next Page IconTo Next Page
To Previous Page IconTo Previous Page
To Previous Page IconTo Previous Page
Loading...
Audio Command Center Series Manual — P/N 51889:E1 6/8/2010 43
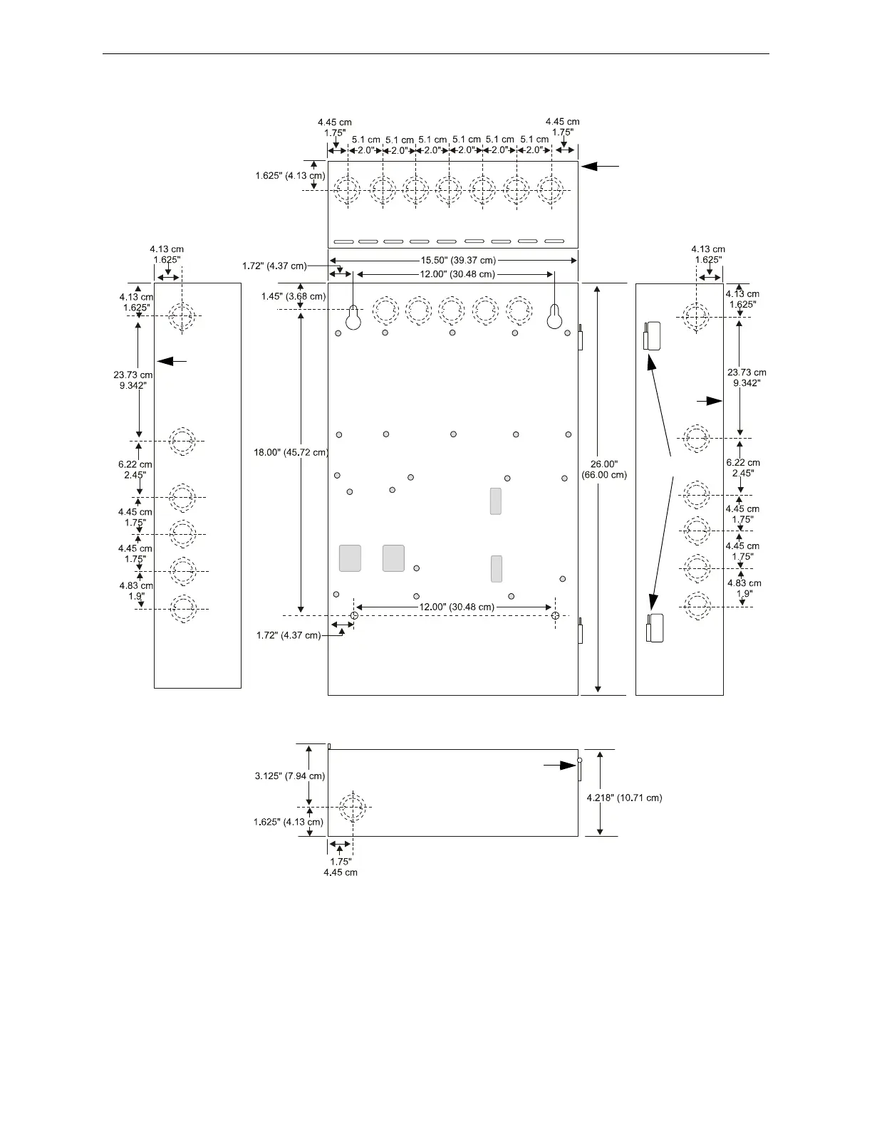
Backbox Installation Installation
Draw wires through the respective knockout locations.
Top
Right Side
Left Side
Figure 3.2 Cabinet Dimensions & Knockout Locations
Bottom
a
c
c
2
5
e
n
c
.
w
m
f
Hinge
Hinge
Back
of
Box
Back
of
Box
Back
of
Box

Table of Contents

Related product manuals