EasyManua.ls Logo

Fluke QED 6 - Page 19

Fluke QED 6
72 pages
Print Icon
To Next Page IconTo Next Page
To Next Page IconTo Next Page
To Previous Page IconTo Previous Page
To Previous Page IconTo Previous Page
Loading...
Introduction and Specifications
Instrument Familiarization
1
1-7
QED-6
DEFIBRILLATOR ANALYZER
STERNUM (-)
BATTERY / 9VDC RS-232 / 10101
ECG
V
C
LL
F
LA
L
RL
N
RA
R
DEFIB
APEX (+)
PACER
1000 j
100 j
SOFTKEYS
1
2 3 4
5
7
8
9
6
fcf017.eps
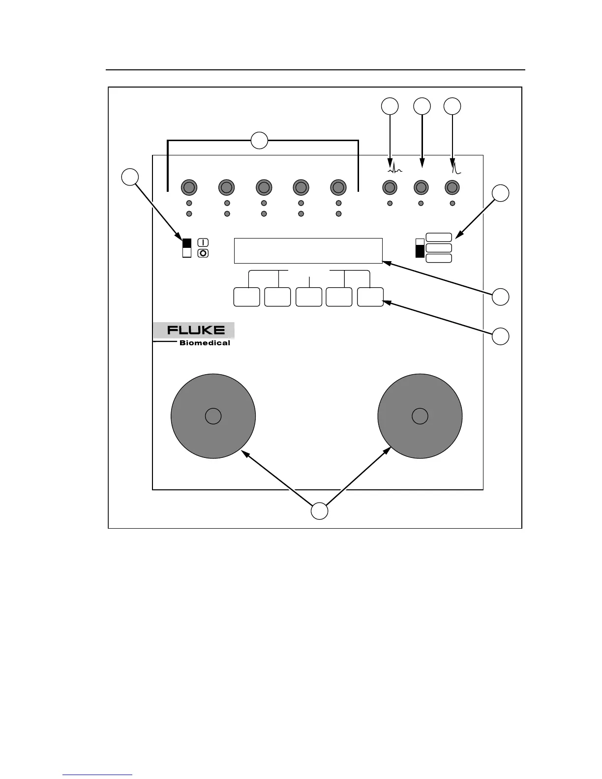
Figure 1-2. Analyzer Front Panel Layout

Table of Contents

Related product manuals