EasyManua.ls Logo

Freestyle 2 Series - Page 48

Freestyle 2 Series
136 pages
Print Icon
To Next Page IconTo Next Page
To Next Page IconTo Next Page
To Previous Page IconTo Previous Page
To Previous Page IconTo Previous Page
Loading...
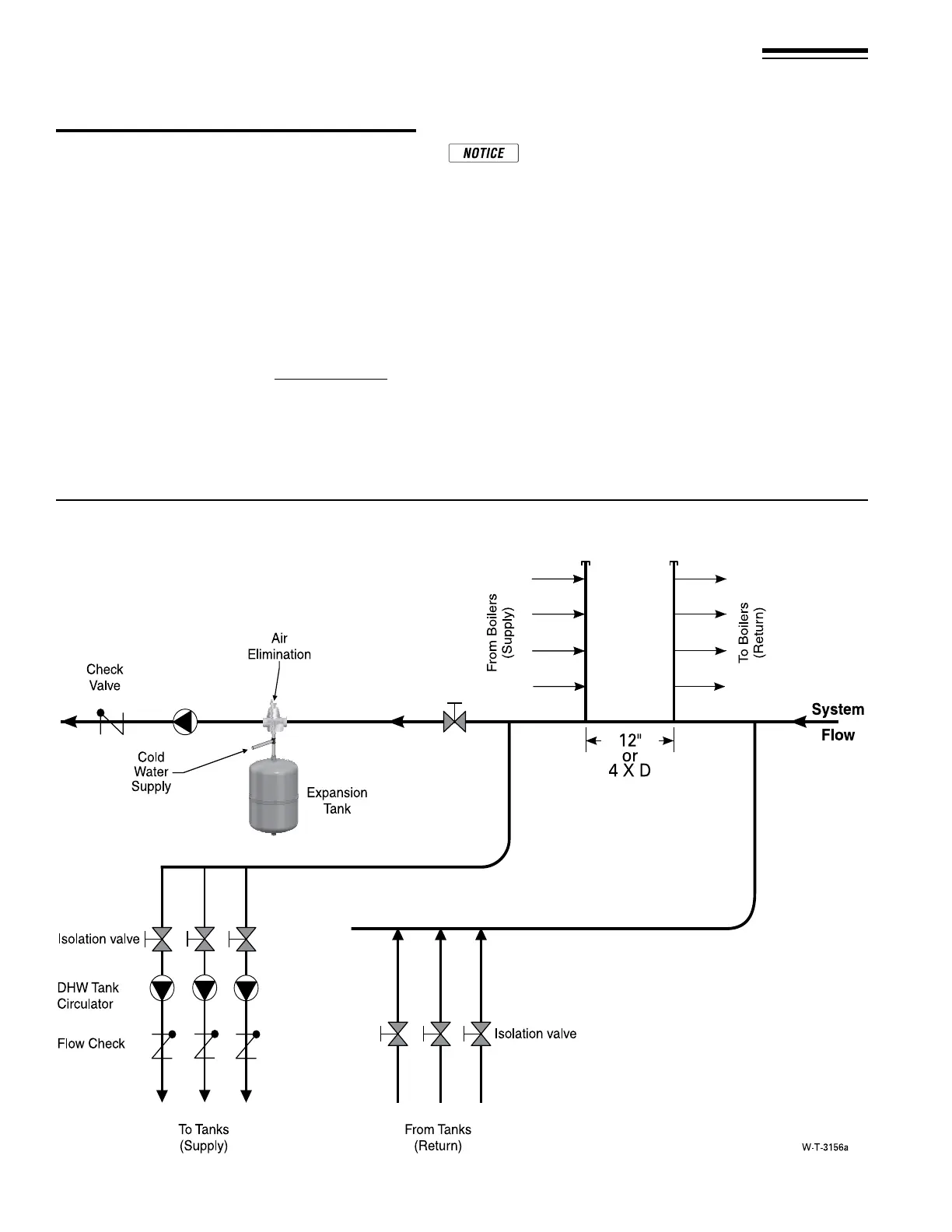
Figure 59 Piping layout—typical piping for multiple boilers (4-boiler system shown) with DHW storage heaters grouped as
zone in secondary loop off primary system loop. (Heating Only)
Part number 550-142-950/0122
48
FreeStyle
®
series
2
wall mount gas-fired water boiler boiler manual
DHW tank piping with multiple
FreeStyle
®
boilers
DHW direct connection—single tank
1. If BTUH output of a single boiler is sucient for the
DHW tank/demand, pipe the indirect water heater to
the last boiler in the ring sequence. is will allow the
previous boilers to continue space heating while the last
boiler delivers DHW priority.
2. Pipe from the near-boiler piping to the DHW tanks
boiler connections as shown in Figure54,page43.
3. Connect the DHW tank aquastat directly to the DHW
input on the last boiler in the sequence.
When using a multiple-boiler control with lead boiler
rotation, it is recommended that the boiler connected to
the DHW tank is always set as the last boiler to operate
in the sequence so that space heat can be maintained
during times of DHW demand.
DHW tanks as zone—multiple tanks
1. If using multiple DHW tanks or multiple banks of tanks, pipe the
tanks to the primary system loop with a secondary connection as
shown in Figure59.
2. DHW tanks are zoned with circulators as shown.
3. If DHW priority is required, use separate zone controllers for
DHW and space heating.
19
Multiple boiler installations
(continued)

Table of Contents

Related product manuals