EasyManua.ls Logo

Frick HPS 2709 - System Connections and Alignment; Coupling Alignment Checks; Customer Connection Ports

Frick HPS 2709
32 pages
Print Icon
To Next Page IconTo Next Page
To Next Page IconTo Next Page
To Previous Page IconTo Previous Page
To Previous Page IconTo Previous Page
Loading...
070.750-IOM2 (JUN 22)
Page 13
HPS 273 and 407 Rotary Screw Compressor
Installation
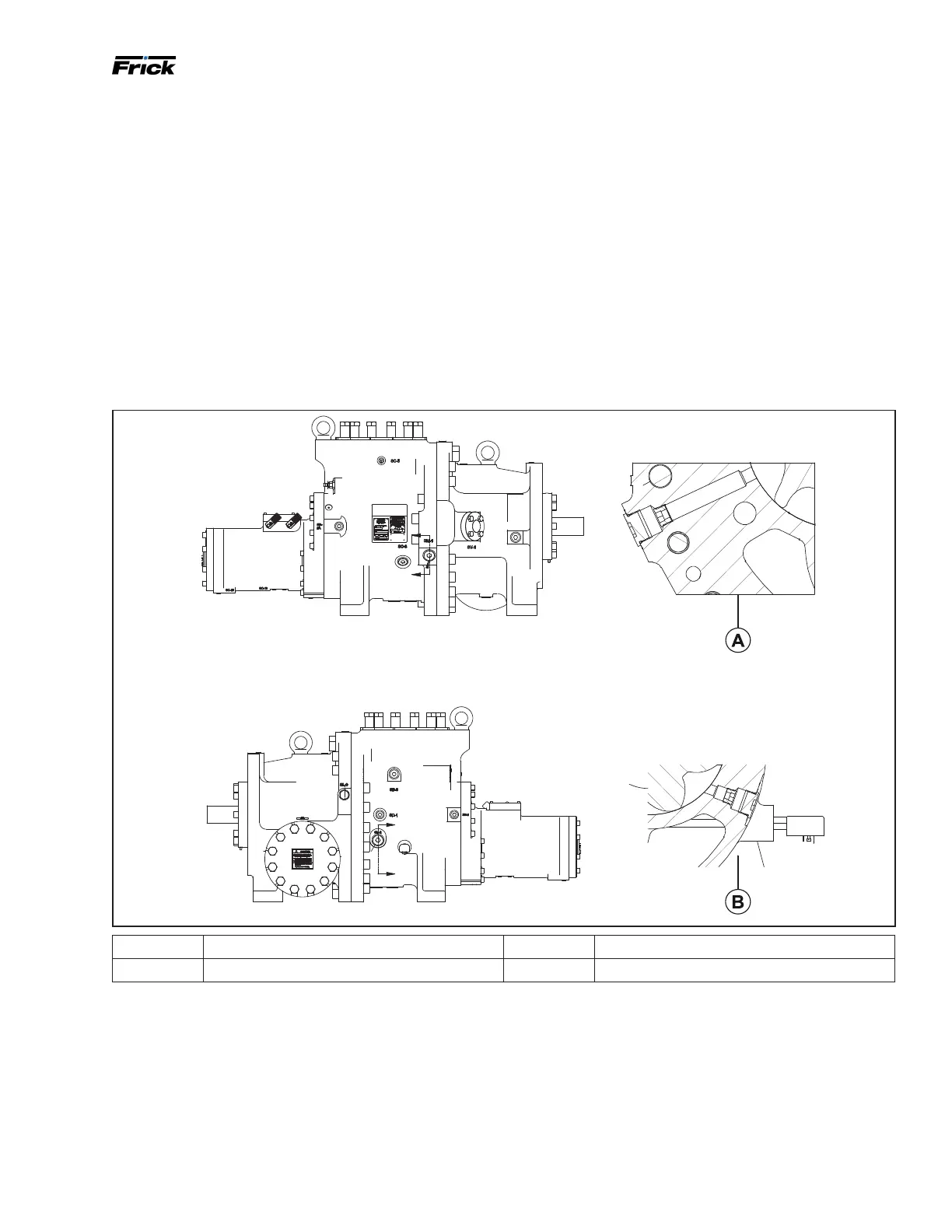
Figure 8: SM-1 and SM-2 port cutaways, HPS 273
A
A
B
B
Callout Description Callout Description
A SM-1: port SM-1 orice plug B SM-2: port SM-2 orice plug
Coupling alignment requirements,
for foot-mounted motor only
1. Perform a coupling alignment before start-up.
2. After installing the compressor on the job site, check
alignment again and if necessary, correct before start-
up.
3. After a few hours operation, you must check the align-
ment while the package is still hot. Correct hot align-
ment is critical to ensure the life of the shaft seal and
compressor bearings.
Note: Maximum radial runout is 0.004 in. total indicator
reading.
Maximum axial runout is 0.004 in. total indicator
reading.
4. Use a dial indicator or another appropriate measuring
device to determine the Total Indicator Runout.
5. Check the indicator bracket sag because all brackets
have some exibility.
a. The best way to measure this is to attach the dial
indicator and bracket on a pipe at the coupling span
distance.
b. Zero the indicator in the 12:00 position, and rotate
the pipe so the indicator is in the 6:00 position. The
reading on the indicator in the 6:00 position is the
bracket sag. This value must be included in the dial
indicator readings when afxed to the coupling for
an accurate alignment.
Customer connections
In addition to the suction and discharge connections, the
following ports require piping to operate the compressor:
SB-2: Balance piston
SB-3: Shaft seal, outlet end bearings
SM-1 or SM-2: Main oil injection. SM-1 is only used
for 2.2-5.0 Vi
SB-2a: Inlet bearings
Note: Connecting the main oil injection to the correct port
for your compressor Vi range is critical for correct
lubrication. Only use the SM-1 port for compres-
sors with a 2.2 Vi to 5.0 Vi range. If you are unsure
what Vi range the compressor has, pipe the main oil
injection line to the SM-2 port. The HPS 2709 and
HPS 2712 both have factory-installed orice plugs,
0.469 in. diameter. The factory-installed orice
plugs on the HPS 4009 and HPS 4012 are 0.875 in.
diameter.

Table of Contents

Other manuals for Frick HPS 2709

Related product manuals