EasyManua.ls Logo

Frick HPS 2709 - Compressor Port Locations

Frick HPS 2709
32 pages
Print Icon
To Next Page IconTo Next Page
To Next Page IconTo Next Page
To Previous Page IconTo Previous Page
To Previous Page IconTo Previous Page
Loading...
070.750-IOM2 (JUN 22)
Page 28
HPS 273 and 407 Rotary Screw Compressor
Forms
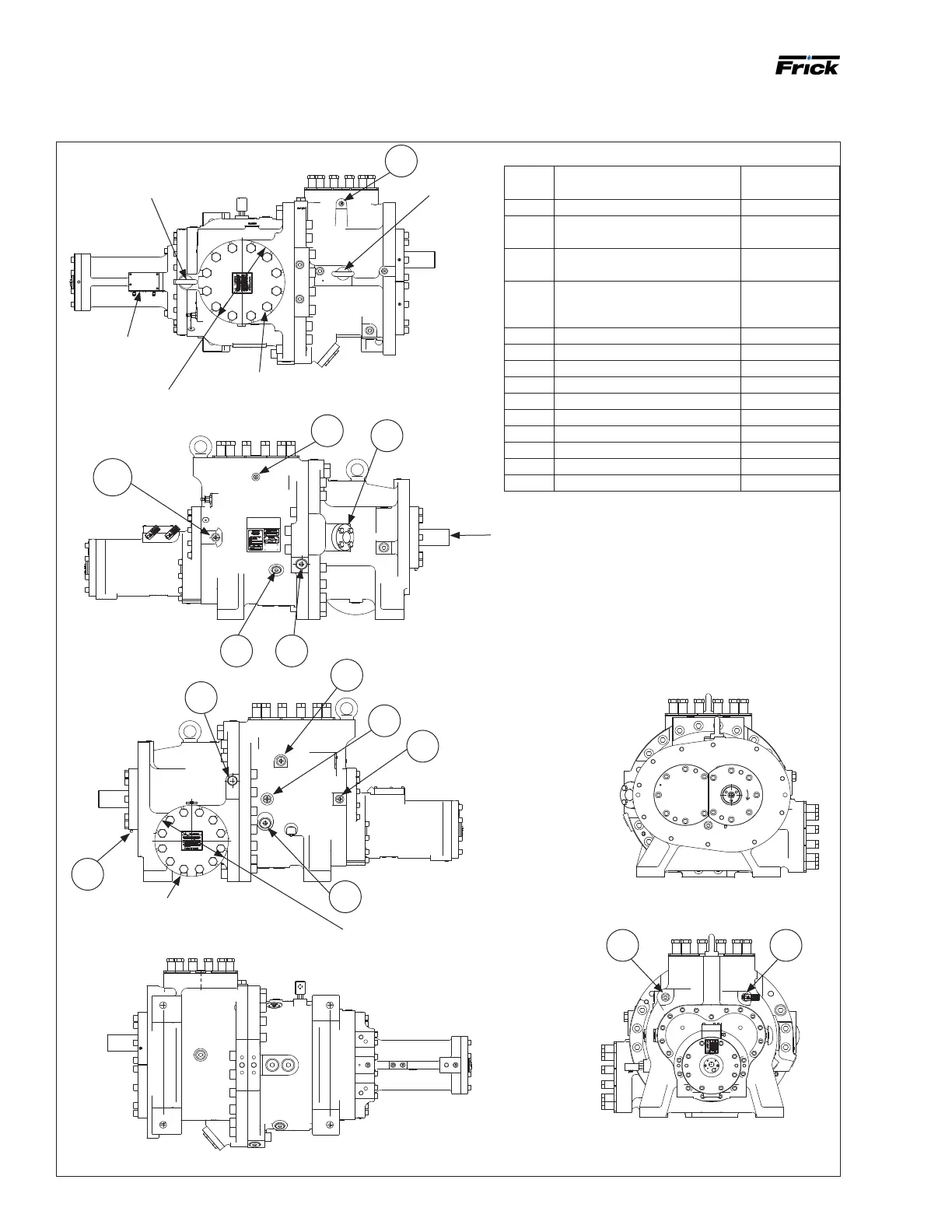
Table 10: 273 connection legend
Port
label
Description Connection
size
P Manifold block pressure 1 1/16-12UN-2B
SB-2 Male and female balance piston
oil feed
1 1/16-12UN-2B
SB-2A Male and female inlet bearing
oil feed
1 1/16-12UN-2B
SB-3 Discharge end bearings, shaft
seal, and manifold block oil feed
1 5/16-12UN-2B
SC-5 Suction pressure 9/16-18UNF-2B
SC-6 Discharge pressure 9/16-18UNF-2B
SC-7 Seal weepage 1/8-27 NPTF
SC-8 Closed thread drain 1 5/16-12UN-2B
SD-1 Coalescer bleed 1 1/16-12UN-2B
SL-0 Liquid injection 1 5/16-12UN-2B
SM-1 Main oil injection, high Vi 1 5/8-12UN-2B
SM-2 Main oil injection, low Vi 1 5/8-12UN-2B
SV-1 Class 600 ANSI round ange 1 1/4 Flange
T Manifold block tank 1 1/16-12UN-2B
Figure 11: Compressor port locations, HPS 2709/2712
SC-6
SC-5
SV-1
SC-8
SL-0
SB-3
SD-1
SB-2
SC-7
SM-2
P T
SM-1
SB-2A
M30 x 3.5 lifting eye
Pad for manifold
block mounting
No keyway in shaft
M30 x 3.5 lifting eye
Ø419.1 [Ø16.50]
Compressor suction ange
(8 in. class 600 ANSI ange)
Ø355.6 [14.00]
Compressor discharge ange,
6 in. Class 600 ANSI ange
5/8-11 UNC - 2B
x 1.31 in. threaded
holes are provided
for ange bolting
1 1/8-7 UNC - 2B x 2 1/2 in. threaded
holes are provided for ange bolting.
4 in. long HEX HD screws are provided
1-8 UNC - 2B X 2 1/2 in. threaded
holes are provided for ange bolting.
3 1/2 in. long HEX HD screws are
provided
Compressor port locations

Table of Contents

Other manuals for Frick HPS 2709

Related product manuals