EasyManua.ls Logo

Frick HPS 2709 - Page 29

Frick HPS 2709
32 pages
Print Icon
To Next Page IconTo Next Page
To Next Page IconTo Next Page
To Previous Page IconTo Previous Page
To Previous Page IconTo Previous Page
Loading...
070.750-IOM2 (JUN 22)
Page 29
HPS 273 and 407 Rotary Screw Compressor
Forms
565.2 (22.25)
435.2 (17.13)
1228.4 (48.36)
126.89
126.87
4.996
4.995
No keyway
in shaft
169.4 (6.67)
Pad for manifold block
mounting
Ø 558.8 (Ø 22.00)
Compressor suction flange
(12 in. class 600 ANSI flange)
M56x5.5 Lifting eye
M56x5.5 Lifting eye
733.5 (28.88)
1103.4 (43.44)
195.3 (7.69)
F
G
453.8 (17.87)
430.9
454
558.8 (22.00)
Distance required
for transmitter
replacement
215.9 (8.50)
Distance required
for shaft seal
replacement
187 (7.36)
72.5 (2.85)
518 (20.39)
45°
499.1 (19.65)
1 1/4-7 UNC - 2B
2.19 in. threaded holes
provided for flange connection
(4 1/2 in. long screws provided)
1/4-28 UNF - 2B
.50
For vibration
transducer
mounting
3/4 -10 UNC - 2B
1.63 in. threaded holes
provided for flange
connection
(3 in. long screws provided)
5/8-11 UNC - 2B
1.25 in. threaded holes
provided for flange connection
(2 1/4 in. long screws provided)
490 (19.29)
165 (6.50)
145.4 (5.72)
1/4-28 UNF - 2B
.68
for vibration
transducer
mounting
12.7 (.50)
235.3 (9.27)
335.1 (13.19)
Ø 393.7
(15.50)
( )
Ø 419.1 (16.50)
Compressor discharge flange
(8 in. class 600 ANSI flange)
246.2 (9.69)
765.3 (30.13)
E
D
69.9 (2.75)
18.5 (.73)
442.7 (17.43)
3/4-10 UNC - 2B
1.25 in. threaded holes
provided for flange connection
(2 1/4 in. long screws provided)
5/8-11 UNC - 2B
1.25 in. threaded holes
provided for flange connection
(2 1/4 in. long screws provided)
1 1/8-7 UNC - 2B
2.19 in. threaded holes
provided for flange
connection
(4 in. long screws provided)
791.9 (31.18)
Slide stop
linear transmitter
203.3 (8.00)
736.6 (29.00)
707.5 (27.85)
95.3 (3.75)
254
217.6
C
101.6 (4.00)
B
A
99.3 (3.91)
101.5 (4.00)
238.5 (9.39)
939.6 (36.99)
4X Ø50.8 (Ø2.00)
939.7 (37.00)
254.1 (10.0)
Slide stop
linear transmitter
69.9 (2.75
)
(10.00)
(8.56)
254
(10.00)
(17.87)
(16.96)
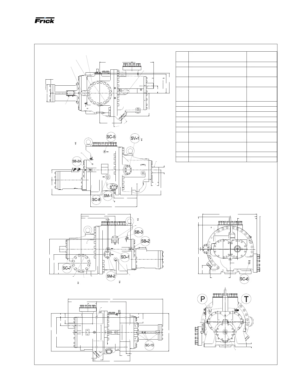
Table 11: 407 connection legend
Port
label
Description Connection
size
P Manifold block pressure 1 1/16-12UN-2B
SB-2 Male and female balance piston
oil feed
1 1/16-12UN-2B
SB-2A Male and female inlet bearing
oil feed
1 1/16-12UN-2B
SB-3 Class 600 ANSI round ange for
discharge end bearings, shaft
seal, and manifold block oil feed
1 1/2 in. flange
SC-5 Suction pressure 3/4-16UNF-2B
SC-6 Discharge pressure 9/16-18UNF-2B
SC-7 Seal weepage 1/8-27 NPTF
SC-8 Closed thread drain 1 7/8-12UN-2B
SC-13 Cylinder oil drain 9/16-18UNF-2B
SD-1 Coalescer bleed 1 5/8-12UN-2B
SM-1 Class 600 ANSI round ange for
main oil injection, high Vi
2 in. ange
SM-2 Class 600 ANSI round ange for
main oil injection, low Vi
2 in. ange
SV-1 Class 600 ANSI round ange 3 in. ange
T Manifold block tank 1 1/16-12UN-2B
Figure 12: Compressor port locations, HPS 4009/4012

Table of Contents

Other manuals for Frick HPS 2709

Related product manuals