EasyManua.ls Logo

Fujitsu MCE3064AP - Timing; Register;Pio Data Transfer Timing; Register;Pio Data Transfer

Fujitsu MCE3064AP
175 pages
Print Icon
To Next Page IconTo Next Page
To Next Page IconTo Next Page
To Previous Page IconTo Previous Page
To Previous Page IconTo Previous Page
Loading...
C156-E142-02EN 4 - 75
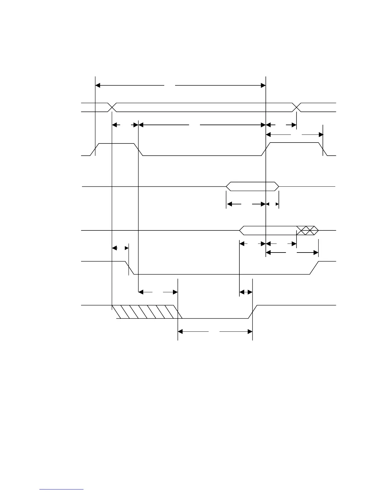
4.7 Timing
4.7.1 Register/PIO data transfer timing
Figure 4.2 Register/PIO data transfer
DA(2:0)
CS0-/CS1-
IORDY
IOCS16-
READ
DD(15:0)
WRITE
DD(15:0)
DIOR-/DIOW-
t0
t2
t9
t2i
t1
t7
t3
t5 t6
t6Z
tA
tB
TRd
t4

Table of Contents

Related product manuals