EasyManua.ls Logo

Fujitsu MCE3064AP - Multiword DMA Data Transfer Timing; Multiword DMA Data Transfer

Fujitsu MCE3064AP
175 pages
Print Icon
To Next Page IconTo Next Page
To Next Page IconTo Next Page
To Previous Page IconTo Previous Page
To Previous Page IconTo Previous Page
Loading...
C156-E142-02EN 4 - 77
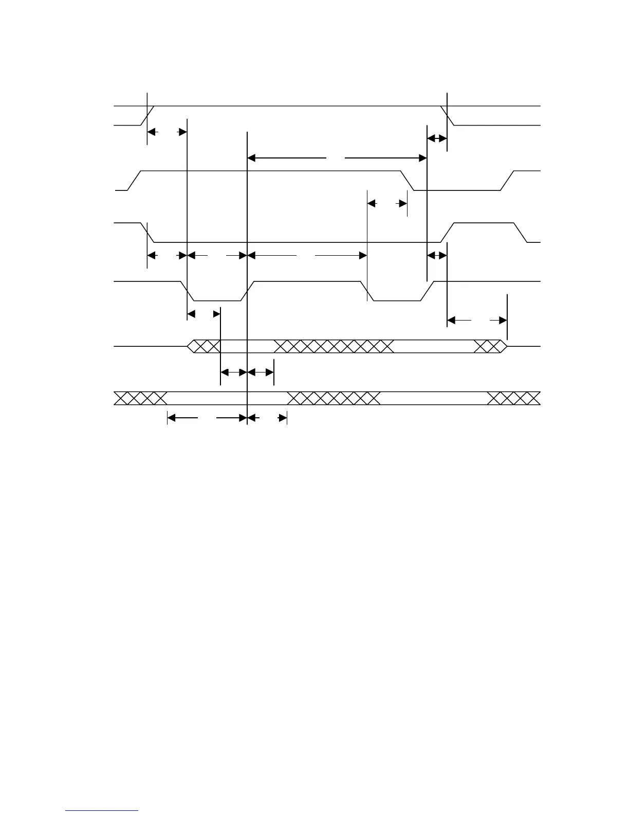
4.7.2 Multiword DMA data transfer timing
Figure 4.3 Multiword DMA data transfer
tM
tG
tF
tG
tE
tK
tD
tI
tZ
tJ
tL
t0
tN
tH
CS0-/CS1-
DMARQ
DMACK-
DIOR/DIOW-
READ
DD(15:0)
WRITE
DD(15:0)

Table of Contents

Related product manuals