EasyManua.ls Logo

GATEXPERT GA600AC - WIFI Controller Setup; WIFI Module Parameters; WIFI Wiring Instruction

Default Icon
33 pages
Print Icon
To Next Page IconTo Next Page
To Next Page IconTo Next Page
To Previous Page IconTo Previous Page
To Previous Page IconTo Previous Page
Loading...
GA600AC Sliding Gate Opener User Manual
23
WIFI Controller (Optional)
I. Main parameters of the module:
1). Power Supply: AC110V/220V
2). Output single channel signal
3). Can accept closed in place signal
II. Wiring Instruction
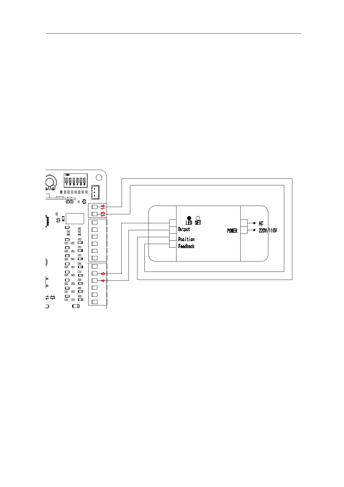
Figure 20
As shown above:
Output Terminal: Output signal, should connect to “O/S/C” and “COM” terminals on the
motor control board.
Position Feedback Terminal: Open or Closed in place feedback signal. Should connect to
open/closed in place terminal if the motor control board has a standalone terminal for it. If
the control board doesn’t have a standalone terminal, then should connect to the door
magnetic alarm.
Power: Should connect to AC 110V/220V mains power.

Related product manuals