EasyManua.ls Logo

GE af-600 fp - Field Installation of Options

GE af-600 fp
129 pages
Print Icon
To Next Page IconTo Next Page
To Next Page IconTo Next Page
To Previous Page IconTo Previous Page
To Previous Page IconTo Previous Page
Loading...
6.3.7 Without an Adjustable Frequency
Drive
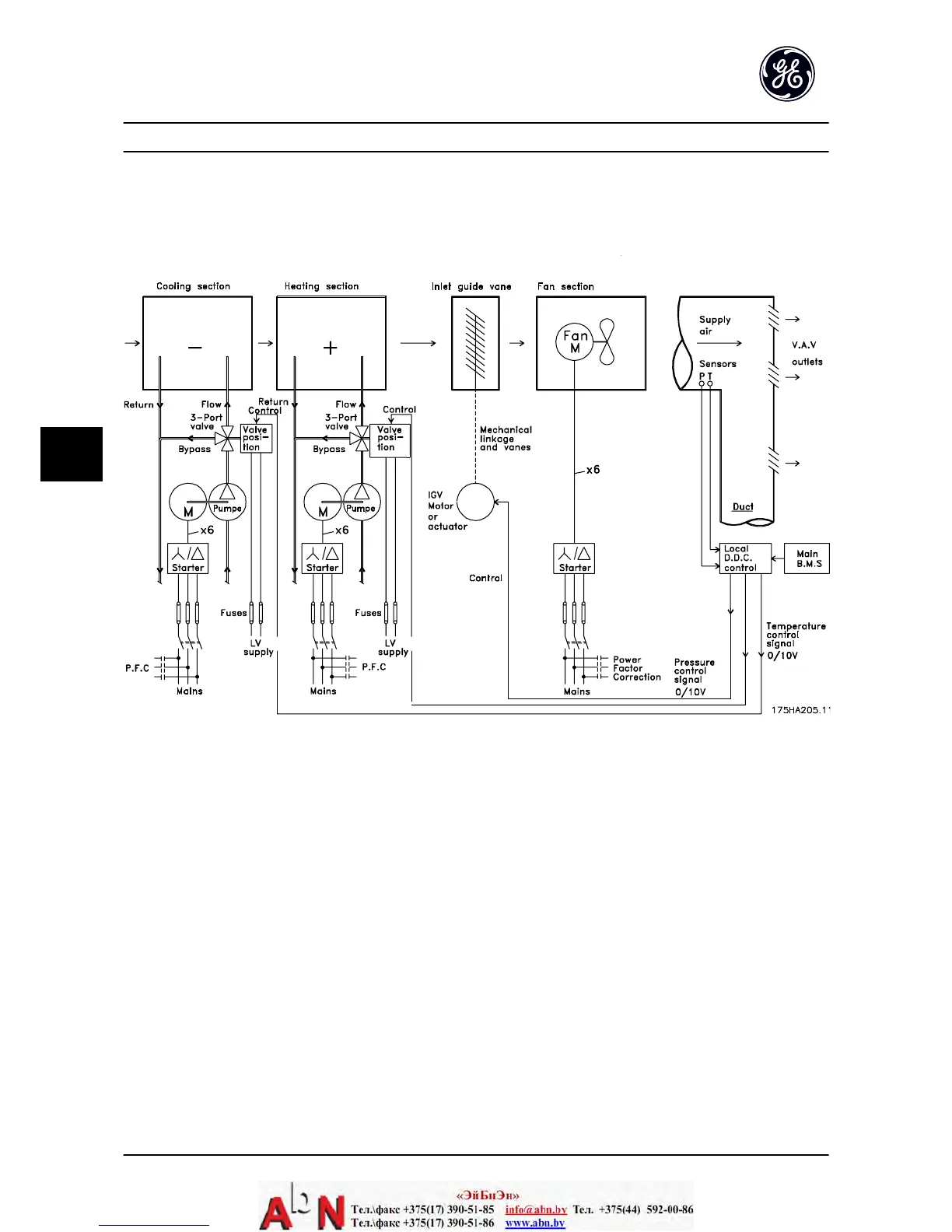
Figure 6.7 shows a fan system made in the traditional way.
Figure 6.7
D.D.C.=Direct Digital Control
V.A.V.=Variable Air Volume
Sensor P=Pressure
E.M.S.=Energy Management System
Sensor T=Temperature
Application Set-up Examples AF-600 FP Design and Installation Guide
6-8 DET-768A
6
6

Table of Contents

Other manuals for GE af-600 fp

Related product manuals