EasyManua.ls Logo

GE af-600 fp - Application Examples

GE af-600 fp
129 pages
Print Icon
To Next Page IconTo Next Page
To Next Page IconTo Next Page
To Previous Page IconTo Previous Page
To Previous Page IconTo Previous Page
Loading...
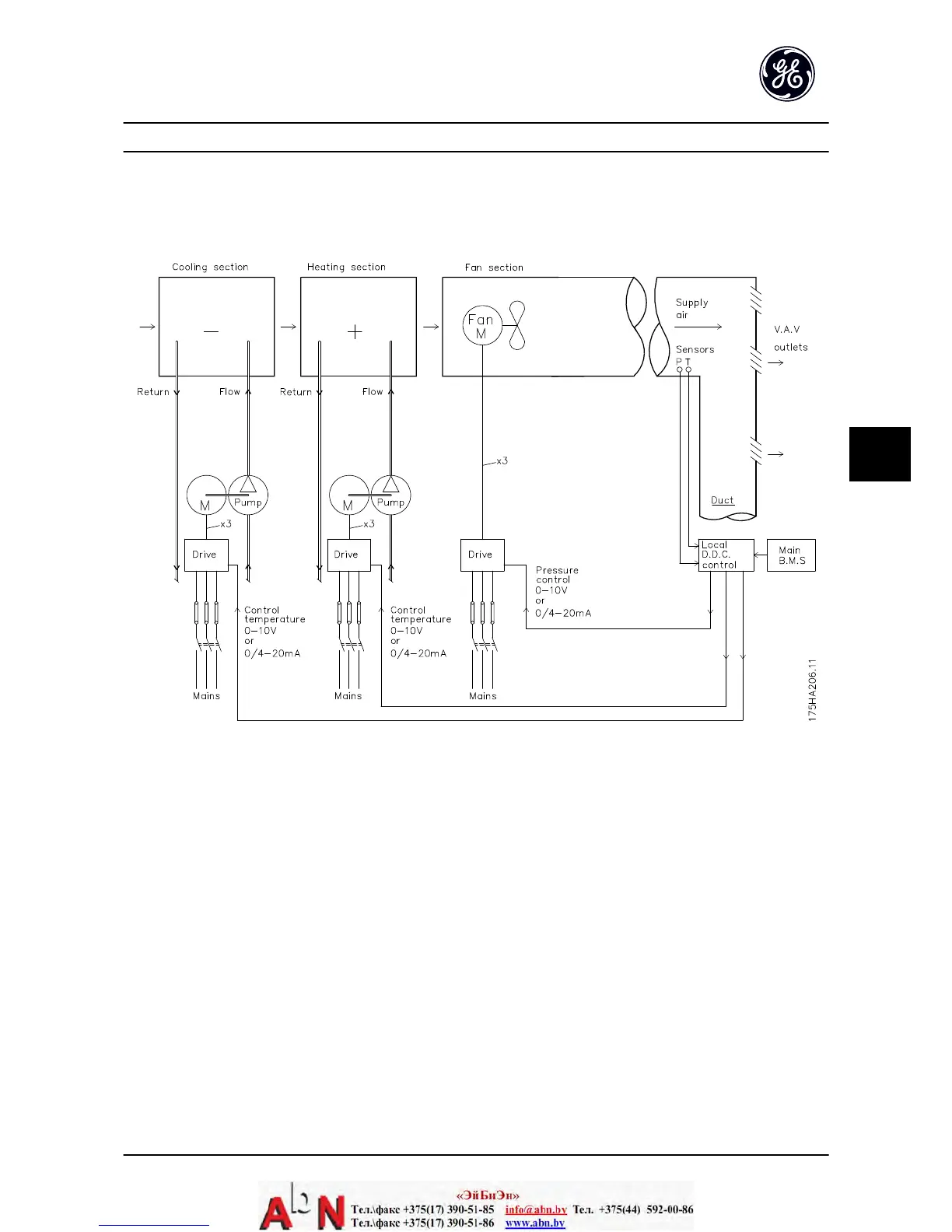
6.3.8 With an Adjustable Frequency Drive
Figure 6.8 shows a fan system controlled by adjustable
frequency drives
Figure 6.8
6.3.9 Application Examples
The next few pages give typical examples of applications
within HVAC.
Application Set-up Examples AF-600 FP Design and Installation Guide
DET-768A 6-9
6
6

Table of Contents

Other manuals for GE af-600 fp

Related product manuals