EasyManua.ls Logo

GE af-600 fp

GE af-600 fp
129 pages
To Next Page IconTo Next Page
To Next Page IconTo Next Page
To Previous Page IconTo Previous Page
To Previous Page IconTo Previous Page
Loading...
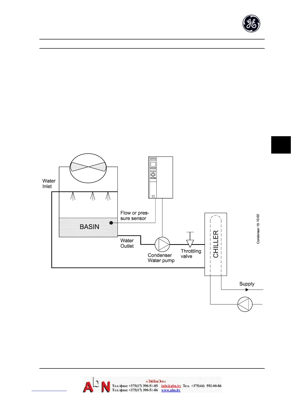
6.3.16 Condenser Pumps
Condenser water pumps are primarily used to circulate
water through the condenser section of water cooled
chillers and their associated cooling tower. The condenser
water absorbs the heat from the chiller's condenser section
and releases it into the atmosphere in the cooling tower.
These systems are used to provide the most efficient
means of creating chilled water, and they are as much as
20% more efficient than air cooled chillers.
6.3.17 The AF-600 FP Solution
Adjustable frequency drives can be added to condenser
water pumps instead of balancing the pumps with a
throttling valve or trimming the pump impeller.
Using an adjustable frequency drive instead of a throttling
valve simply saves the energy that would have been
absorbed by the valve. This can amount to savings of 15–
20% or more. Trimming the pump impeller is irreversible,
thus if the conditions change and higher flow is required
the impeller must be replaced.
Figure 6.12
Application Set-up Examples AF-600 FP Design and Installation Guide
DET-768A 6-13
6
6

Table of Contents

Other manuals for GE af-600 fp

Related product manuals