EasyManua.ls Logo

GE P645

GE P645
592 pages
To Next Page IconTo Next Page
To Next Page IconTo Next Page
To Previous Page IconTo Previous Page
To Previous Page IconTo Previous Page
Loading...
TERMINAL.
PIN TERMINAL (P.C.B. TYPE)
(c)
(b)
C.T. SHORTING LINKS MAKE BEFORE (b) DISCONNECT.
E1
E16
NOTES:
(a)1.
RELAY 8
E17
E18
E9
RELAY 7
RELAY 5
RELAY 6
E12
E13
E15
E14
E10
E11
RELAY 4
RELAY 3
RELAY 1
RELAY 2
E5
E6
E8
E7
E2
E4
E3
WATCHDOG
WATCHDOG
CONTACT
CONTACT
F13
F12
F14
F11
B4
RTD 2
RTD 3
RTD 10
B28
B29
B30
B7
B8
B9
B5
B6
RTD 1
MiCOM P642 (PART)
B1
B3
B2
3. THE VT MAY BE CONNECTED ACROSS ANY PHASE-PHASE PAIR.
(USED BY V/Hz W2 PROTECTION ONLY).
4. FOR COMMS OPTIONS SEE DRAWING 10Px4001.
2. WYE GROUND INPUTS APPLICABLE FOR GROUNDED (EARTHED) WINDINGS.
C19
C22
C21
C (2)
C17
C20
B (2)
A (2)
C25
C28
C27
C18
C (1)
S2
A
T2
B
C
S1
P1
A
C
B
A
PROTECTED
TRANSFORMER
C
B
P2
S2 S1
P2 P1
PHASE ROTATION
C24
C26
C23
B (1)
A (1)
T1
C B
A
POWER SUPPLY VERSION 24-48V (NOMINAL) D.C. ONLY
*
Y (HV)
C15
Y (LV)
C16
C13
C14
LV
FLUX
C3
V
C4
NOTE 2
HV
MiCOM P642 (PART)
N
n
C
ca
b
NOTE 3
BA
C
B
A
GROUNDED WYE
NEUTRAL TAILS
P2 S2
P1 S1
P2 S2
P1 S1
D18
D16
D17
D15
CONNECTION
COMMON
OPTO 8
D11
D14
D13
D12
D9
D10
D8
OPTO 7
OPTO 6
OPTO 4
OPTO 5
D4
D6
D7
D5
D2
D3
D1
OPTO 2
OPTO 3
OPTO 1
A
B
C
SEE DRAWING
10Px4001
SCN
AUX SUPPLY
F2
F1
x
AC OR DC
PORT
EIA485/
KBUS
F16
F18
F17
EARTH
CASE
COMMS
NOTE 4
T2
T1
TN1
TN2
Drg
No:
Issue: Revision:
Date:
Date:
Name:
Chkd:
DO NOT SCALE
CAD DATA 1:1 DIMENSIONS: mm
Title:
Substation Automation Solutions
ALSTOM GRID UK LTD
(STAFFORD)
Sht:
Next
Sht:
26/05/2016 S.WOOTTON
CID SWOO-AA2EBH. VT CONNECTIONS WERE C1, C2
10P64202
1
-
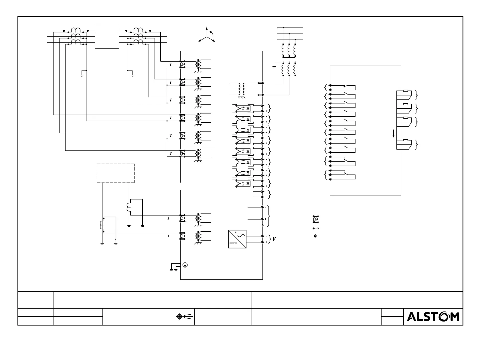
EXTERNAL CONNECTION DIAGRAM: 2 BIAS INPUT TRANSFORMER
DIFFERENTIAL (8 I/P & 8 O/P + RTD) WITH 1 POLE VT INPUT (40TE)
J

Table of Contents

Related product manuals