EasyManua.ls Logo

GE P645

GE P645
592 pages
To Next Page IconTo Next Page
To Next Page IconTo Next Page
To Previous Page IconTo Previous Page
To Previous Page IconTo Previous Page
Loading...
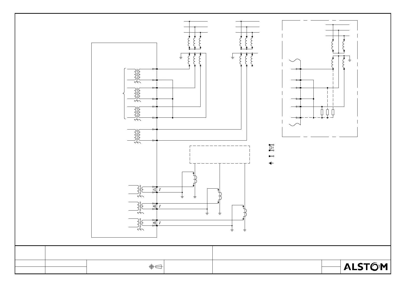
7. THE MONITORED THREE PHASE VOLTAGE MAY BE CONNECTED HV, TV OR LV SIDE.
8. DERIVED NEUTRAL POINT. SEE P64X/EN T/- - FOR DETAILS OF RESISTORS.
(USED BY V/Hz W1 PROTECTION AND OTHER VOLTAGE PROTECTION).
2. SEE TABLE 1 FOR BIAS ASSIGNMENT TO ACTUAL WINDINGS. T1
3. WYE GROUND INPUTS APPLICABLE FOR GROUNDED (EARTHED) WINDINGS.
4. THE VT MAY BE CONNECTED ACROSS ANY PHASE-PHASE PAIR.
PIN TERMINAL (P.C.B. TYPE)
C.T. SHORTING LINKS MAKE BEFORE (b) DISCONNECT.
IS ALWAYS AN HV WINDING CONNECTION.
5. FOR COMMS OPTIONS SEE DRAWING 10Px4001.
TERMINAL.
(USED BY V/Hz W2 PROTECTION ONLY).
6. THE VT STAR POINT MUST BE MADE EXTERNALLY AS SHOWN.
(b)
(c)
NOTES:
(a)
1.
MiCOM P645 (PART)
P2S2
P1S1
GROUNDED WYE
P1S1
P2S2
TV
NOTE 6
HV
S1 P1
S2 P2
NEUTRAL TAILS
LV
NOTE 3
NOTE 7
b
a c
n
N
B
A
C
CC
a
N
n
A
b
c
NOTE 4
B
C
B
A
B
A
E4
FLUX
V
E3
N
E1
V
C
V
E2
C3
C1
B
C4
V
A
C2
V
C15
Y (HV)
Y (TV)
C14
C11
C13
C16
Y (LV)
C12
E1
E2
C4
C3
C1
C2
OPTIONAL
N
V
C
V
B
V
A
V
C
A
B
A
a
b
c
C
B
NOTE 8
VEE CONNECTED VTs (ALTERNATIVE)
TN3
TN2
TN1
Drg
No:
Issue: Revision:
Date:
Date:
Name:
Chkd:
DO NOT SCALE
CAD DATA 1:1 DIMENSIONS: mm
Title:
Substation Automation Solutions
ALSTOM GRID UK LTD
(STAFFORD)
Sht:
Next
Sht:
14/07/2014 S.WOOTTON
CID SWOO-9LNAWE. TABLE 1 REMOVED. NOTES 5&6 REMOVED.C11-C16 WAS D11-D16
10P64502
2
-
EXTERNAL CONNECTION DIAGRAM: 5 BIAS INPUT TRANSFORMER
DIFFERENTIAL (16 I/P & 16 O/P + RTD) WITH 4 POLE VT INPUTS (60TE)
I

Table of Contents

Related product manuals