EasyManua.ls Logo

Getinge 8668 - Steam and Electric Heating; Explanation of Symbols

Getinge 8668
135 pages
Print Icon
To Next Page IconTo Next Page
To Next Page IconTo Next Page
To Previous Page IconTo Previous Page
To Previous Page IconTo Previous Page
Loading...
Description
5
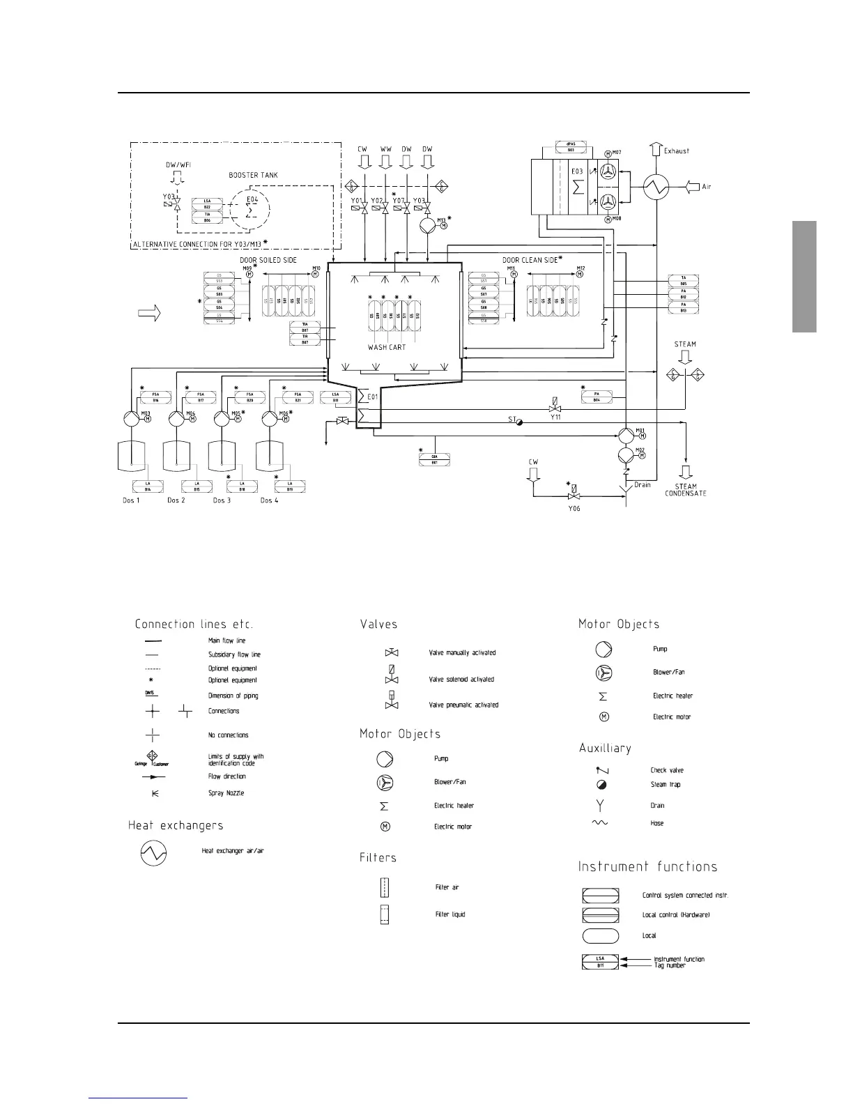
Service instructions
5015108-00Edition 0403
Steam and electric heating
Explanation of symbols
V1559
V1560

Table of Contents

Related product manuals