Home
Graco
Paint Sprayer
695
Page 34 (Control Box Components)
Graco 695 - Control Box Components
48 pages
Manual
Save Page as PDF
To Next Page
To Next Page
To Previous Page
To Previous Page
Loading...
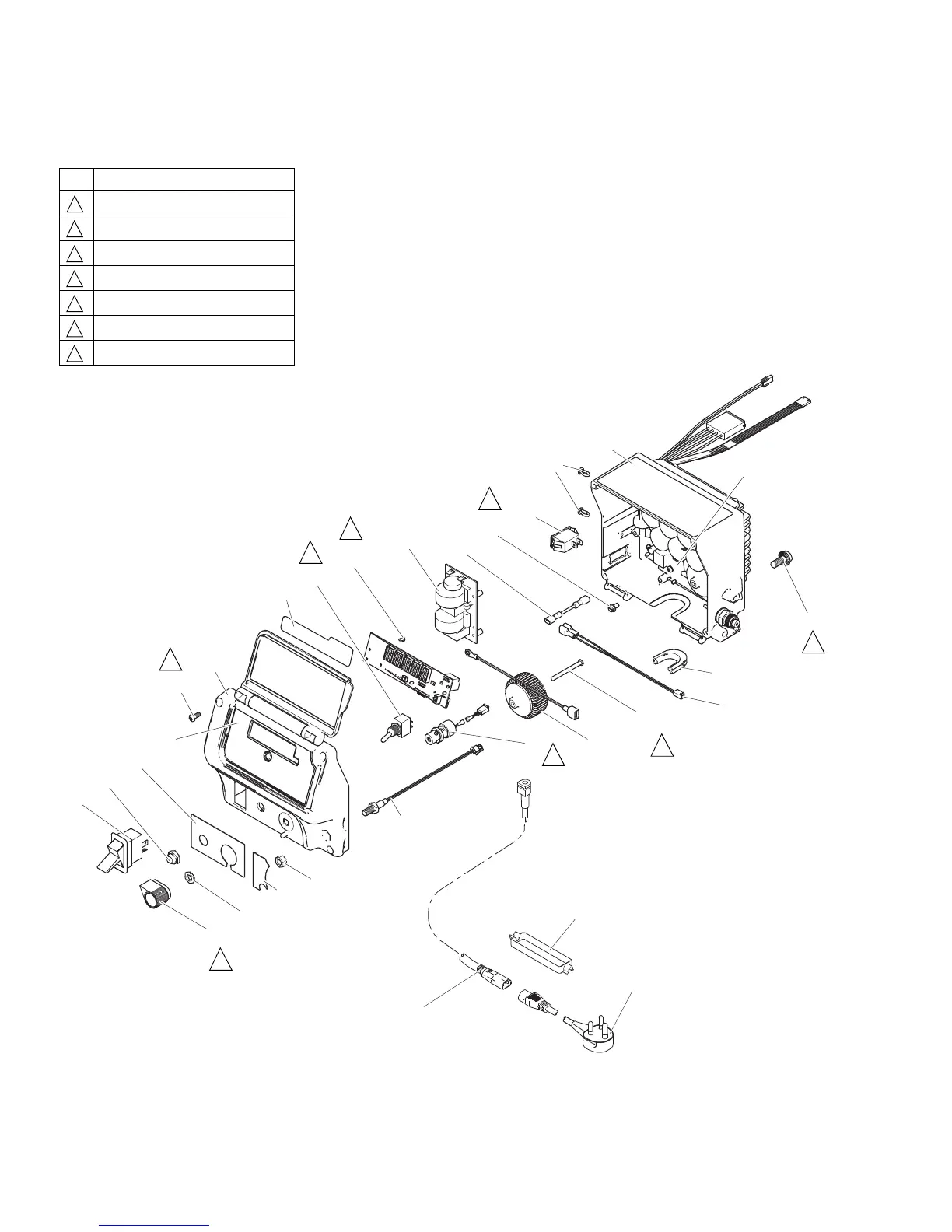
Control Box
34
3A4399A
Control Box
33
34
115
73
177
6
8
4
9
63
9
6
65
70
3
8
8
2
45
32
150
147
26
23
52
142
13
1
5
9
144
143
60
131
75 ref
137
ti29578a
14
8
75
a
2
Ref.
Torque
10-15 in-lb (1.1 - 1.7 N•m)
40-45 in-lb (4.5 - 5.0 N•m)
22-28 in-lb (2.4 - 3.1 N•m)
200-230 in-lb (22.6 - 25.9 N•m)
30-35 in-lb (3.3 - 3.9 N•m)
15-20 in-lb (1.7 - 2.2 N•m)
2-3 in-lb (0.23 - 0.34 N•m)
1
2
3
4
5
6
7
5
7
3
2
6
4
1
33
35
Table of Contents
Main Page
Table of Contents
2
Models
2
Warnings
3
Component Identification
6
695 Procontractor Models
6
Grounding
7
Power Requirements
7
Extension Cords
7
Pails
7
Pressure Relief Procedure
8
Setup
9
Startup
10
Switch Tip Installation
11
Aligning Spray
11
Spray
11
Clear Tip Clog
12
Fast Flush
13
Watchdog ™ Protection System
13
Proguard
14
Hose Reel
15
Digital Tracking System
16
Operation Main Menu
16
Change Display Units
16
Job Gallons
16
Lifetime Gallons
16
Secondary Menu - Stored Data
17
Cleanup
18
Maintenance
20
Cleaning/Replacing Gun Filter
20
Troubleshooting
21
Mechanical/Fluid Flow
21
Electrical
23
695 Procontractor Parts
32
695 Procontractor Parts List
33
Control Box
34
Control Parts List
35
Filter
36
Parts List
36
Hose Reel and Gun
37
Parts List
37
Spray Gun Parts
38
Pump Parts
39
Repair
40
Gun
40
Pump
40
Tools Needed
40
Cleaning and Inspecting Parts
40
Repair When Pump Is Separated from Sprayer
41
Technical Data
46
Graco Standard Warranty
47
Graco Information
48
Other manuals for Graco 695
Operation Manual
44 pages
Related product manuals
Graco 695 HI
44 pages
Graco ULTRA MAX 695
24 pages
Graco Ultimate Mx695
22 pages
Graco Ultra Max II 695
2 pages
Graco Ultimate Mx II 695
18 pages
Graco ULTRA MAX 695 232133
36 pages
Graco ULTRA R MAX 695 309067
28 pages
Graco 600
20 pages
Graco RTX 650
24 pages
Graco Ultra Max II 650 PC Pro
64 pages
Graco ULTRA 600 231–307 Series A
40 pages
Graco 243011
4 pages