EasyManua.ls Logo

Guardian 5240 - Page 143

Guardian 5240
151 pages
Print Icon
To Next Page IconTo Next Page
To Next Page IconTo Next Page
To Previous Page IconTo Previous Page
To Previous Page IconTo Previous Page
Loading...
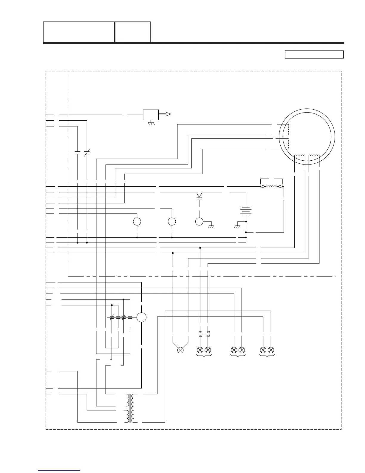
ELECTRICAL DATA
SCHEMATIC, 7 KW HOME STANDBY
MODELS 005240 & 005280
PART 7
Page 141
DRAWING #0F7821
WINDING
22
22
225A
56VA
225A
224A
224
225
225
14
224A
1VA
14
TX
0
0
23
224B
225B
194
0
1
7
2
56
14
0
0
4
6
0
0
0
BCR
6
7
3
9
4
9
22
0
FS
62
0
0
11
56
13
BCR - BATTERY CHARGE RELAY
CB - CIRCUIT BREAKER, MAIN OUTPUT
IM - IGNITION MODULE
HTO - HIGH OIL TEMPERATURE SWITCH
F1 - FUSE 15 AMP
FS - FUEL SOLENOID
11
DIAGRAM KEY
BA - BRUSH ASSEMBLY
33
CB
44
23194 N2 N1
11
33
44
0
SC
SM
SC
33
22
44
BATTERY
12V
RED
0
0
11
85
18
86
HTO
LOP
18 IM
ENGINE AND
ALTERNATOR
SP
FIELD
BA
0
SW1 - SWITCH, AUTO / OFF / MANUAL
TX - TRANSFORMER, 16 Vac 56 VA &
SW2 - SWITCH, SET EXERCISE
16 Vac 1 VA (DUAL SEC.)
SPST, N.C., ON-(OFF)
LOP - LOW OIL PRESSURE SWITCH
SP - SPARK PLUG
DPDT, ON-OFF-ON
SC - STARTER CONTACTER
DPE
POWER
WINDING
22
33
S TATO R
CHARGE
WINDING
BATTERY
77 66
224A 225A
13
66
77
4
224
N2
N1
7766
11
22
0
7766
WINDING
POWER
4
2
11
44
6
16
SM - STARTER MOTOR
NEUTRAL
CONTACTOR
OUTPUT TO
TRANSFER SWITCH
240VAC GENERATOR 12Vdc
COIL
RELAY
TRANSFER UTILITY
INPUT
240VAC

Table of Contents

Related product manuals