EasyManua.ls Logo

Guardian 5240 - Operational Analysis

Guardian 5240
151 pages
Print Icon
To Next Page IconTo Next Page
To Next Page IconTo Next Page
To Previous Page IconTo Previous Page
To Previous Page IconTo Previous Page
Loading...
OPERATIONAL ANALYSIS
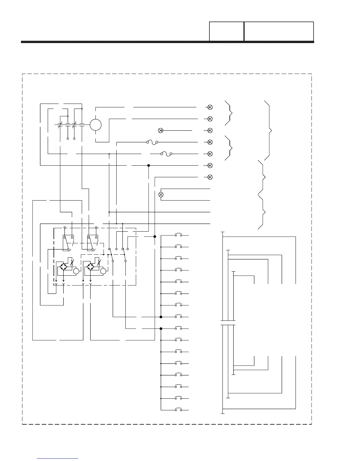
Figure 1 is a schematic for a typical “V-Type” transfer switch.
Figure 1. Schematic
PART 3
Page 54
“V-TYPE” PREPACKAGED
TRANSFER SWITCHES
SECTION 3.2
OPERATIONAL ANALYSIS
NEUTRAL
CONNECTION
INSIDE SWITCH
XB
NO
C1
COM
XA
VR1
NC NC
COM
C2
VR2
NO
TR
194
23
1
7
4
79
36
9
F2
CIRCUIT 10
BLACK (MAIN 1)
12Vdc TRANSER
COIL
RED (MAIN 2)
NEUTRAL (WHITE)
NEUTRAL (WHITE)
23
OPEN
F1
N2
N1
194
23
BLACK
RED
N2
N1
194
240VAC TO
TO GENERATOR
OUTPUT
PANEL
MAIN DISTRIBUTION
LC-CIRCUIT BREAKER (LOADS)
F1,F2-5A, 600V FUSE
XA,XB-LIMIT SWITCHES
TS-TERMINAL STRIP
TR-TRANSFER RELAY
C2-GENERATOR COIL & RECTIFIER
LEGEND
C1-UTILITY COIL & RECTIFIER
T1
T2
T1 T2
E2
E2
E2
E2
E1
E1
N1A
N1A
N2A
N2A
B
B
B
B
B
E1
E1
E1
N1AN1A
N1A
194
23
E1
E2
205
205
126
126
E2
N1A
N2A
N2A
A
N2A
240VAC
OUTPUT
GENERATOR
TS TO
CONTROL PANEL
CIRCUIT BREAKER
A
B
AT S
ATS-AUTOMATIC TRANSFER SWITCH
LC
CIRCUIT 9
CIRCUIT 6
CIRCUIT 5
CIRCUIT 2
CIRCUIT 1
CIRCUIT 3
CIRCUIT 4
CIRCUIT 7
CIRCUIT 8
CIRCUIT 11
CIRCUIT 12
CIRCUIT 13
CIRCUIT 14
CIRCUIT 16
CIRCUIT 15
16 CIRCUIT LOAD CENTER
12 CIRCUIT LOAD CENTER
10 CIRCUIT LOAD CENTER
8 CIRCUIT LOAD CENTER

Table of Contents

Related product manuals