EasyManua.ls Logo

Häfele FT 200 - Operation

Häfele FT 200
41 pages
Print Icon
To Next Page IconTo Next Page
To Next Page IconTo Next Page
To Previous Page IconTo Previous Page
To Previous Page IconTo Previous Page
Loading...
HDE 04.10.2021 732.22.024
74
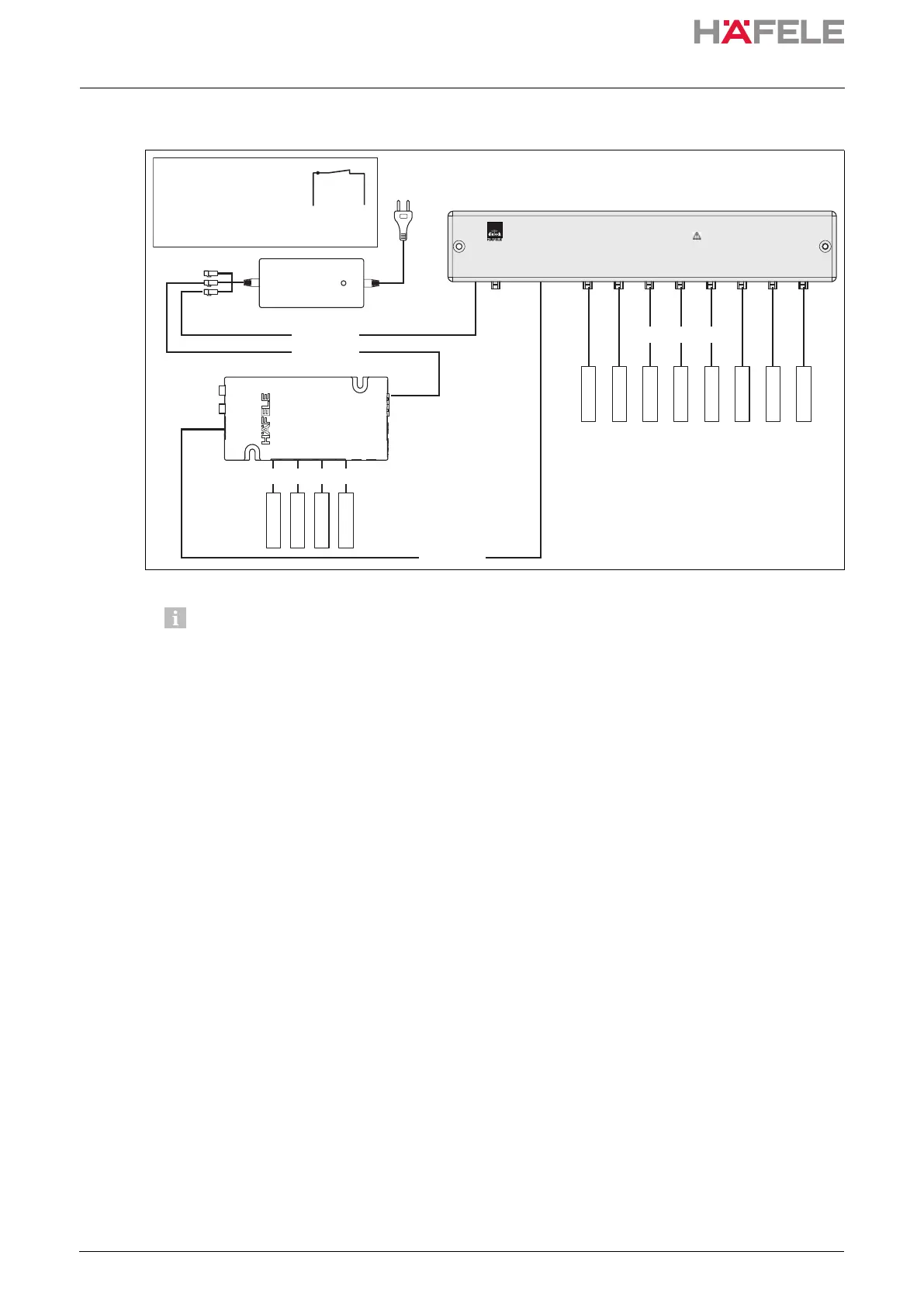
10.5 One MLA 8 at the FT 200 / FT 200 CAP in keyed alike and/or keyed to differ
operation
Fig. 8: Installation example 5 - One MLA 8 at the FT 200 / FT 200 CAP in keyed alike and/or keyed to differ operation.
In keyed different operation, a maximum of one MLA 8 can be connected to the
FT 200.
PS 4
EFL 3
EFL X
OUT 1
EFL 3
EFL X
OUT 2
EFL 3
EFL X
EFL 3
EFL X
EFL 3
EFL X
EFL 3
EFL X
EFL 3
EFL X
EFL 3
EFL X
OUT 3
OUT 4
OUT 5
OUT 6
OUT 7
OUT 8
Contact
NC
Data In
Data Out
V
OUT
VIN
Multi Lock Adaptor MLA 8
VIN: 9,6 VDC –
14,4
VDC
Contact NC: 24VDC max., 1 A max.
EFL X: V=VIN, IOUT=500mA max. 1000mA max. per MLA 8
5. EFL 3
6. EFL 3
7. EFL 3
8. EFL 3
9. EFL 3
10. EFL 3
11. EFL 3
12. EFL 3
max. 10 m
FT 200
FT 200 CAP
EFL 3
(Out 1)
EFL 3
(Out 2)
EFL 3
(Out 3)
EFL 3
(Out 4)
LED
ACU
Vin
Ant. 1
Ant. 2
MLA 8
Vout
AUX
1. EFL 3
2. EFL 3
3. EFL 3
4. EFL 3
max. 10 m
max. 10 m
max. 10 m
max. 5 m
NC
24 V, 1 A
Schaltkontakt, ext.
Monitoring contact, ext.
Contact de supervision, ext.
Contato di monitaggio, ext.
Contacto del supervision, ext.
Contato de monitoramento, ext.
ins-src-732.22.024.book Seite 74 Mittwoch, 13. Oktober 2021 1:58 13

Table of Contents