EasyManua.ls Logo

Häfele FT 200 - Several MLA 8 at the FT 200; FT 200 CAP in Keyed Alike Operation

Häfele FT 200
41 pages
Print Icon
To Next Page IconTo Next Page
To Next Page IconTo Next Page
To Previous Page IconTo Previous Page
To Previous Page IconTo Previous Page
Loading...
75
HDE 04.10.2021 732.22.024
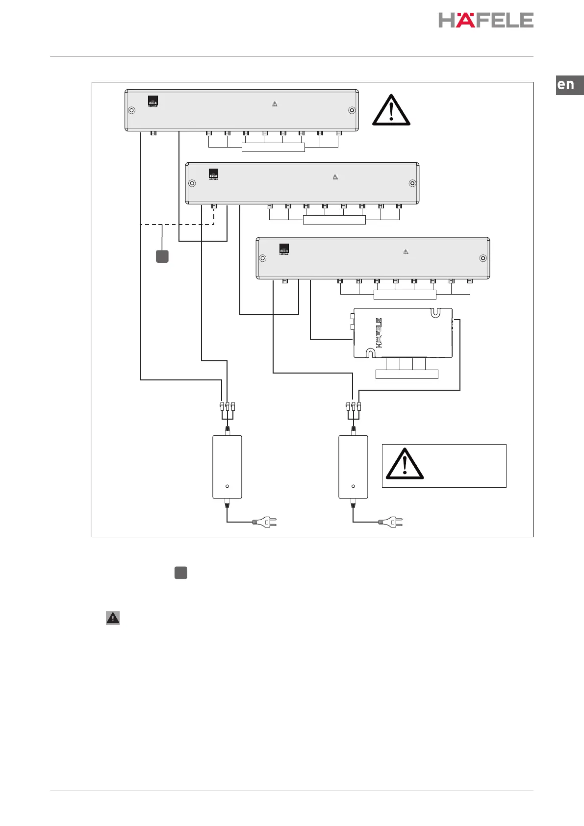
10.6 Several MLA 8 at the FT 200 / FT 200 CAP in keyed alike operation
Fig. 9: Installation example 6 - Several MLA 8 at the FT 200 / FT 200 CAP in keyed alike operation.
The voltage supply can be provided directly via the PS 4 power supply or (max. 1x) from
MLA 8 to MLA 8 . A maximum of 16 MLA 8 can be connected in this way.
Attention: please note the rated values of the system components!
3.2 Technical data, page 49
EFL 3
EFL X
OUT 1
EFL 3
EFL X
OUT 2
EFL 3
EFL X
EFL 3
EFL X
EFL 3
EFL X
EFL 3
EFL X
EFL 3
EFL X
EFL 3
EFL X
OUT 3
OUT 4
OUT 5
OUT 6
OUT 7
OUT 8
Contact
NC
Data In
Data Out
V
OUT
VIN
Multi Lock Adaptor MLA 8
VIN: 9,6 VDC –
14,4
VDC
Contact NC: 24VDC max., 1 A max.
EFL X: V=VIN, IOUT=500mA max. 1000mA max. per MLA 8
PS 4
FT 200
FT 200 CAP
EFL 3
(Out 1)
EFL 3
(Out 2)
EFL 3
(Out 3)
EFL 3
(Out 4)
LED
ACU
Vin
Ant. 1
Ant. 2
MLA 8
Vout
AUX
PS 4
EFL 3 / 21 - 28
EFL 3
EFL X
OUT 1
EFL 3
EFL X
OUT 2
EFL 3
EFL X
EFL 3
EFL X
EFL 3
EFL X
EFL 3
EFL X
EFL 3
EFL X
EFL 3
EFL X
OUT 3
OUT 4
OUT 5
OUT 6
OUT 7
OUT 8
Contact
NC
Data In
Data Out
V
OUT
VIN
Multi Lock Adaptor MLA 8
VIN: 9,6 VDC –
14,4
VDC
Contact NC: 24VDC max., 1 A max.
EFL X: V=VIN, IOUT=500mA max. 1000mA max. per MLA 8
EFL 3 / 13 - 20
EFL 3
EFL X
OUT 1
EFL 3
EFL X
OUT 2
EFL 3
EFL X
EFL 3
EFL X
EFL 3
EFL X
EFL 3
EFL X
EFL 3
EFL X
EFL 3
EFL X
OUT 3
OUT 4
OUT 5
OUT 6
OUT 7
OUT 8
Contact
NC
Data In
Data Out
V
OUT
VIN
Multi Lock Adaptor MLA 8
VIN: 9,6 VDC –
14,4
VDC
Contact NC: 24VDC max., 1 A max.
EFL X: V=VIN, IOUT=500mA max. 1000mA max. per MLA 8
EFL 3 / 5 - 12
EFL 3 / 1 - 4
A
PS 4 (max. 2,5 A)
max. 16 MLA 8
A
ins-src-732.22.024.book Seite 75 Mittwoch, 13. Oktober 2021 1:58 13

Table of Contents