EasyManua.ls Logo

Harris FlexStar - Page 63

Default Icon
106 pages
Print Icon
To Next Page IconTo Next Page
To Next Page IconTo Next Page
To Previous Page IconTo Previous Page
To Previous Page IconTo Previous Page
Loading...
4/18/11 888-2587-001 2-35
WARNING: Disconnect primary power prior to servicing.
Section 2 Installation & Initial Turn-On
FM HD Radio System
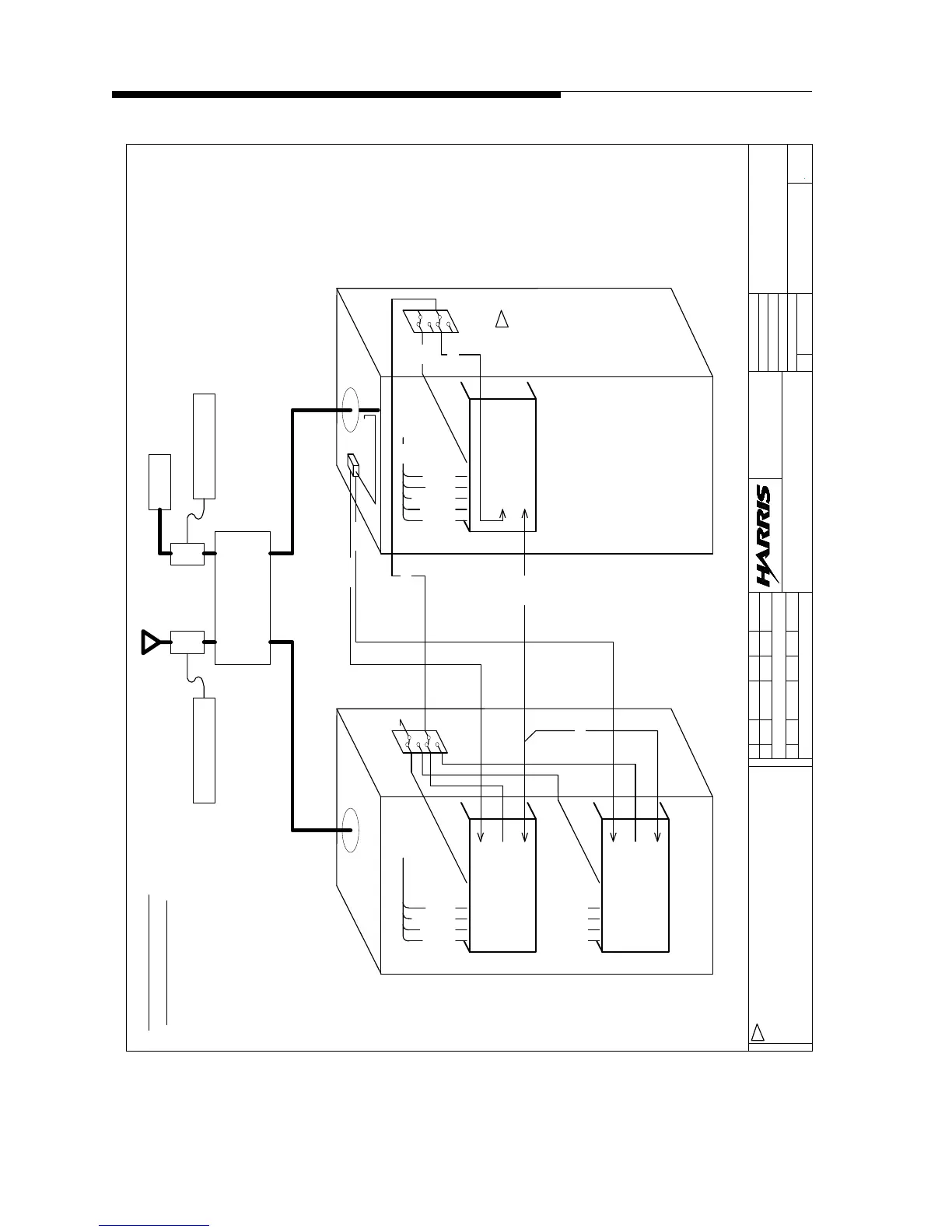
Figure 2-20 Split-Level with dual exciter, single Boost Pro.
A
-
.. .
..
.
.
NEWDWG
.
..
.A
NOT USED IN Z4, Z6, OR Z8. INPUT ROUTES
DIRECTLY TO BOOST PRO RF IN. RF OUT ROUTES
TO A23 3DB PAD.
FOR ALL MODEL UPGRADES, INPUT ROUTES TO
BOOST PRO RF IN.
.
A
REV
DATE
TITLE
OF
SHEET
BY
DRAWN
CHK
ENG
ENG
PROJ
ENG
MFG
NO.
DWG
HARRIS CORPORATION
BROADCAST COMMUNICATIONS
P.O. BOX 4290
QUINCY, ILLINOIS 62305
THIS DOCUMENT CONTAINS PROPRIETARY DATA OF HARRIS
CORPORATION. NO DISCLOSURE, REPRODUCTION, OR USE OF ANY
PART THEREOF MAY BE MADE EXCEPT BY WRITTEN PERMISSION.
DATEZONELTR ENG ECO NBRDFTM
S
E
T
O
N
S
I
V
E
R
I
O
N
ANALOG TRANSMITTER
SPLIT-LEVEL ZHD+
CONFIGURATION
Dual Flexstar
Single Boost Pro
Exciters located in
Analog Tx
BOOST PRO
RF IN
MUTE
FAULT
SAMPLE
APC
MODE
RF SAMPLE
ZHD+ TRANSMITTER
RF SAMPLE
3, 4.77, or 6DB
COMBINER
LOAD
METERINGMETERING
FM + HD
RF OUTPUT
FM
RF OUTPUT
FLEXSTAR EXCITER
RTAC SAMPLE
AUX RF OUT
MUTE
FAULT
SAMPLE
APC
TX CNTRL
F
M
R
F
O
U
T
FLEXSTAR EXCITER
RTAC SAMPLE
AUX RF OUT
E
X
T
E
R
N
A
L
E
X
C
I
T
E
R
S
W
I
T
C
H
E
R
F
M
R
F
O
U
T
F
M
+
HD
RF
O
UT
EXCITER
SWITCH
BOARD
TX CNTRL
1
1
817-2329-019
SYSTEM CONFIGURATION,
ZHD+, CONFIG #19 & #43
11
B. KLESNER
1-28-06
B. KLESNER
B. KLESNER
B. OLSON
C
O
NFI
G
U
RA
TI
O
N
#
1
9
&
#
4
3
W900
W903
W148
W123
W3
W1
W149
W902
CAN BUS
CAN BUS
CAN BUS

Table of Contents

Related product manuals