EasyManua.ls Logo

Hitachi L200 Series

Hitachi L200 Series
280 pages
To Next Page IconTo Next Page
To Next Page IconTo Next Page
To Previous Page IconTo Previous Page
To Previous Page IconTo Previous Page
Loading...
Using Intelligent Input Terminals
Operations
and Monitoring
4–10
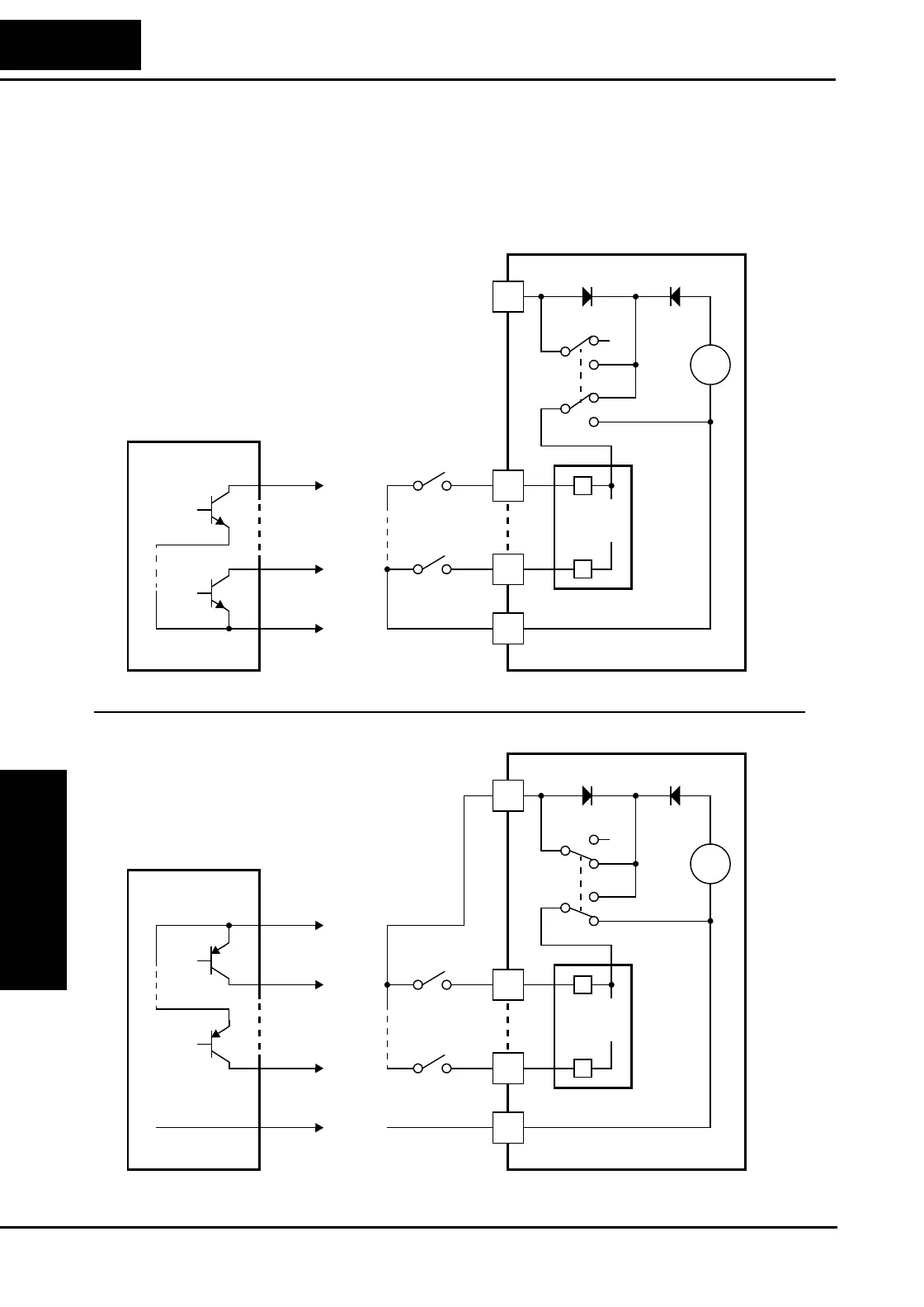
The two diagrams below show input wiring circuits using the inverter’s internal +24V
supply. Each diagram shows the connection for simple switches, or for a field device
with transistor outputs. Note that in the lower diagram, it is necessary to connect
terminal [L] only when using the field device with transistors. Be sure to use the correct
SR/SK switch position shown for each wiring diagram.
L200
L
24V
+
SK
SR
SK
SR
PCS
Input
circuits
1
5
Logic GND
1
5
GND
Open collector outputs,
NPN transistors
Input
switches
Sinking Inputs, Internal Supply
SR/SK switch = SK position
Field device
L200
L
24V
+
SK
SR
SK
SR
PCS
Input
circuits
1
5
Common,
to [PCS]
1
5
GND
PNP transistor
sourcing outputs
Input
switches
Sourcing Inputs, Internal Supply
SR/SK switch = SR position
Field device
to PNP bias
circuits
Logic GND

Table of Contents

Other manuals for Hitachi L200 Series

Related product manuals