EasyManua.ls Logo

Hitachi L200 Series

Hitachi L200 Series
280 pages
To Next Page IconTo Next Page
To Next Page IconTo Next Page
To Previous Page IconTo Previous Page
To Previous Page IconTo Previous Page
Loading...
L200 Inverter
Operations
and Monitoring
4–11
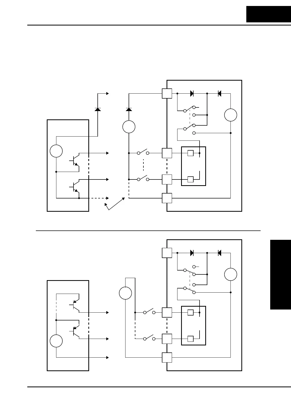
The two diagrams below show input wiring circuits using an external supply. If using the
upper wiring diagram, be sure to use a diode with the external supply. This will prevent a
power supply contention in case the SR/SK switch is accidentally placed in the incorrect
position. Be sure to use the correct SR/SK switch position shown for each wiring
diagram.
L200
L
24V
+
SK
SR
SK
SR
PCS
Input
circuits
1
5
Logic GND
1
5
GND
Open collector outputs,
NPN transistors
Input
switches
Sinking Inputs, External Supply
SR/SK switch = SK position
Field device
L200
L
24V
+
SK
SR
SK
SR
PCS
Input
circuits
1
5
1
5
GND
PNP transistor
sourcing outputs
Input
switches
Sourcing Inputs, External Supply
SR/SK switch = SR position
Field device
Logic GND
24V
+
+
+V
**
* Note: If the external power supply GND is (optionally)
connected to [L], then install the above diode.
24V
+
+
24V

Table of Contents

Other manuals for Hitachi L200 Series

Related product manuals