EasyManua.ls Logo

HP 300 - Page 34

HP 300
144 pages
Print Icon
To Next Page IconTo Next Page
To Next Page IconTo Next Page
To Previous Page IconTo Previous Page
To Previous Page IconTo Previous Page
Loading...
0>>----,
J-
Disconnect
All
Cables
~
I Remove
./
Tap
Cover
I Remove I
Front Panel I
I Disconnect I
Fan Wires
/
Remove
I
I
Remove I
Fans Front Panel
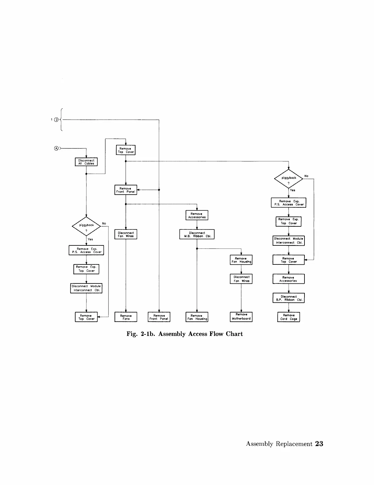
Fig. 2-1b. Assembly Access Flow Chart
Assembly
Replacement
23
Artisan Technology Group - Quality Instrumentation ... Guaranteed | (888) 88-SOURCE | www.artisantg.com

Table of Contents

Other manuals for HP 300

Related product manuals