EasyManua.ls Logo

HP 8754A - Page 7

HP 8754A
53 pages
Print Icon
To Next Page IconTo Next Page
To Next Page IconTo Next Page
To Previous Page IconTo Previous Page
To Previous Page IconTo Previous Page
Loading...
Display
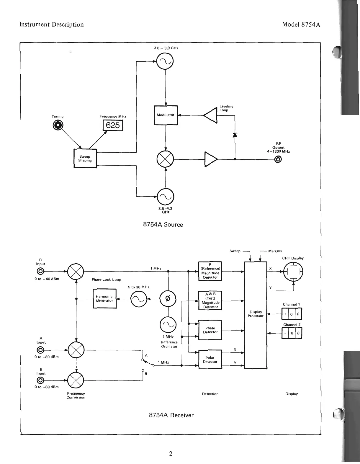
Model 8754A
RF
Output
4-1300
MHz
Leveling
Loop
>--~'-------IO
Detection
Sweep
Markers
CRT
Display
R
(Reference)
X
Magnitude
Detector
y
A&B
(Test)
Magnitude
Channell
Detector
Display
Processor
Phase
Detector
X
Polar
Detector
y
2
1
MHz
Reference
Oscillator
3.6-4.3
GHz
1
MHz
Modulator
...
----o<C
3.6 - 3.0
GHz
1
MHz
8754A
Receiver
A
8754A
Source
5
to
30
MHz
Frequency
MHz
Harmonic
Generator
Phase-Lock
Loop
Sweep
Shaping
Frequency
Conversion
a
Tuning
I
8
~I
r
Input
8
@~~
1-----
o
to
-80
dBm
Instrument Description
Artisan Technology Group - Quality Instrumentation ... Guaranteed | (888) 88-SOURCE | www.artisantg.com

Related product manuals