EasyManua.ls Logo

Hydrafeed MSV 80 - Page 36

Default Icon
224 pages
Print Icon
To Next Page IconTo Next Page
To Next Page IconTo Next Page
To Previous Page IconTo Previous Page
To Previous Page IconTo Previous Page
Loading...
33
3. User Setup
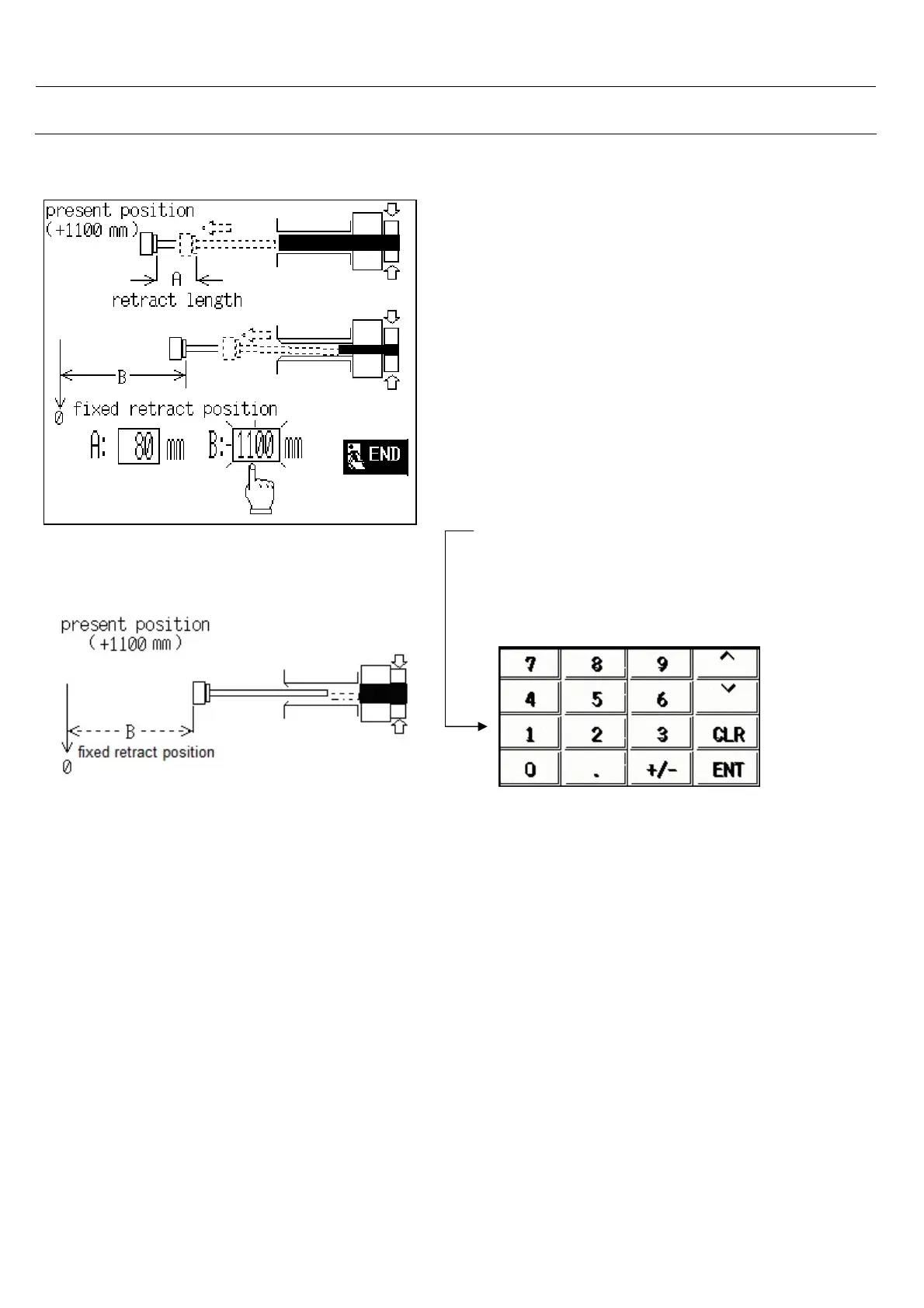
(2) Fixed retract position setup
Fixed retract position (B):
When the pushrod extend too long into
the spindle, the deviation of the pushrod
may cause the direct contact with the
spindle liner, to avoid the damage during
operation, push rod has to retract to a
fixed position to avoid the contact.
- Push the pushrod to the position that is
not contacted with the spindle, than see
present position value.
- Touch on B: numeric
- Seems a numerical display.
- If present position=1100 mm Write
B length= 1100 and press<ENT>

Table of Contents

Related product manuals