EasyManua.ls Logo

Hytera PNC550 - Page 73

Hytera PNC550
99 pages
Print Icon
To Next Page IconTo Next Page
To Next Page IconTo Next Page
To Previous Page IconTo Previous Page
To Previous Page IconTo Previous Page
Loading...
L1311
C1313
L1310
TRX6
TRX7
TRX8
TRX1
TRX4
TRX3
TRX2
TRX12
TRX10
TRX9
GND
GND
SDATA
VIO
VDD
SCLK
ANT
TRX5
TRX11
GND
U1300
C1324 C1325
GND
CONTACT
GND
GND
J1300
IN
GND
OUT
GND
J1301
L1334
UNB
UNB
GND
GND
GND
F1304
IN
GND
GND
GND
1N
F1308
L1338
L1313
L1314
L1318
IN
GND
GND
GND
OUT
F1303
OUTPUT
GND
GND
GND
GND
B3_IN
GND
GND
B1_IN
GND
FL1300
L1323
IN/OUT
GND
GND
GND
IN/OUT
F1305
L1327
C1333
C1335
C1338
C1339
RF2
GND
RF1
VDD
RFC
VCTL
U1301
IN
GND
GND
GND
1N
F1309
L1341
C1336
L1335
L1336
C1334
C1342
L1339
L1342
C1341
C1328
L1325
L1328
C1327
C1323
L1321
L1324
C1321
C1319
L1316
L1319
C1318
C1316
L1312
L1315
C1315C1314
L1317
C1317
L1320
C1320
L1322
C1322
L1326
C1326
L1333
C1332
L1337
C1337
L1340
C1340
C1308
L1302
L1305
UNB UNB
GND
GND
GND
F1301
L1304
RF3
GND
GND
VC2
VDD
VC1
ANT
RF2
RF1
S1300
C1307
C1303
C1306
UNB UNB
GND
GND
GND
F1302
L1308
C1304
L1303
C1305
L1306
C1309
C1310 C1311
C1312
L1300
L1301
IN
GND
GND
GND
OUT
F1300
C1300
C1301 C1302
UNB UNB
GND
GND
GND
F1306
L1330
C1331
L1329
L1332
C1330
L1331
C1329
IN
GND
GND
GND
1N
F1307
J1302
C1351C1352
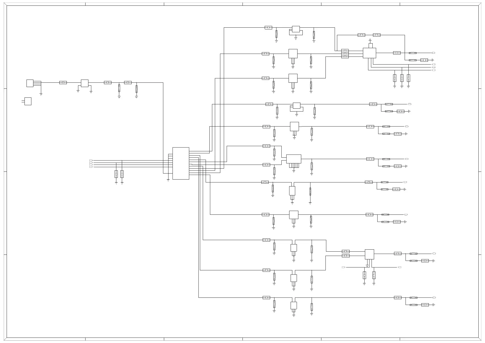
[3,12,13,14,16]
VREG_L18_2P7
[1,2,3,5,7,8,10,12,14,15,17,18]
VREG_L5_1P8
[5,12,14,18]
RFFE1_CLK
[5,12,14,18]
RFFE1_DATA
[16]WTR0_DRX_LB1_B5/B26
[16]
WTR0_DRX_MB3_B1/B3/B4
[3,12,13,14,16] VREG_L18_2P7
[5]GPIO_110_DRX_B7/B38_41
[16]
WTR0_DRX_HB2_B7/38/41
[16]WTR0_DRX_LB2_B20--B12/13/17
[16]
WTR0_DRX_MB2_B2
[16]
WTR0_DRX_HB1_B40
[16]WTR0_DRX_LB3_B8/B27/B28
[3,12,13,14,16]
VREG_L18_2P7
[5]GPIO_102_SP3T_DIVB8/28/27
[5]GPIO_103_SP3T_DIVB8/28//27
[16]
WTR0_DRX_MB1_B39
66
LTE DIV
B28
B27
B8
B20-B12/13/17
B5/B26
B1/B3/B4
B2
B39
B38/B41
B7
B40
Note: The differences between B8 and B9 frequency bands are not updated in this figure.

Related product manuals