EasyManua.ls Logo

Ideal Boilers LOGIC Code Combi 26 - Page 31

Ideal Boilers LOGIC Code Combi 26
64 pages
Print Icon
To Next Page IconTo Next Page
To Next Page IconTo Next Page
To Previous Page IconTo Previous Page
To Previous Page IconTo Previous Page
Loading...
31
INSTALLATION
Ideal Logic Code Combi - Installation and Servicing
36
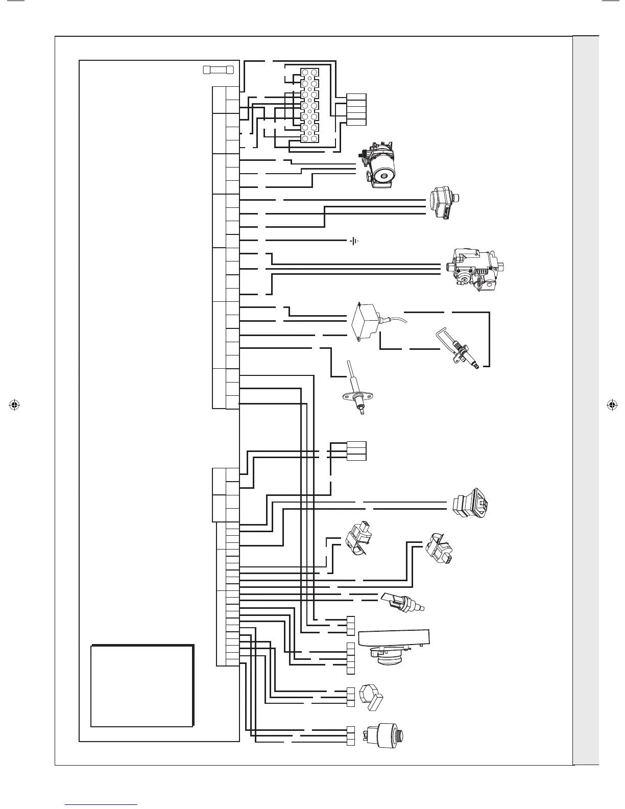
WIRING DIAGRAM
1
X1A
X1BX1CX1DX2AX2BX3X7AX7B
X5X6X8
212312312341234123541231212
1234123456123456789
1011
206279- 9504c
Water
Pressure
Sensor
Water
Flow
Turbine
Fan
Heat
Exchanger
Thermistor
Flow
Thermistor
Return
Thermistor
Flame
Sensor
Electrode
Spark
Electrode
Spark
Generator
PCB
Gas
Valve
Divertor
Valve
Pump
Chassis
Earth
Internal
Timer
Low
Voltage
Connection
Internal
Timer
High
Voltage
Connection
Service
Connector
Fused
at 4AT
- blue
- black
- brown
- red
- pink
- yellow
- white
- yellow/green
- grey
- orange
- violet
b
bk
br
r
p
y
w
y/g
g
or
v
KEY
r
bk
r
bk
b
y
bk
p
y
bk
bk
bk
bk
b br br br
w
b
r
y/g
y/g
y/g
y/g y/gbk bk
bk
bk
y/g
b b
b
b
br
br
br
b
bk
r
p p
b
bk
r
p
b
y/g
br
or
INSTALLATION
206279-1.indd 31 06/01/2011 09:10:20

Related product manuals