EasyManua.ls Logo

IFM Electronic SM2000 - 8�4 Extended Functions - Min;Max Memory - Emtpy Pipe - Simulation

IFM Electronic SM2000
44 pages
Print Icon
To Next Page IconTo Next Page
To Next Page IconTo Next Page
To Previous Page IconTo Previous Page
To Previous Page IconTo Previous Page
Loading...
28
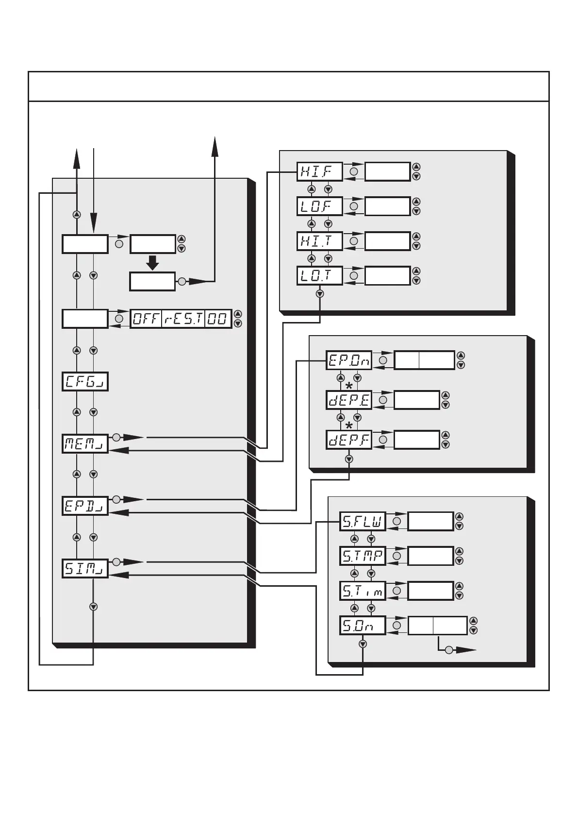
8.4 Extended functions
Min/max memory
Emtpy pipe
Simulation
↑Mainmenu
MEM
EF
EPD
SIM


 









 


8.1
8.1
* Parameters are only displayed for the selection EP�On = On�

Table of Contents

Related product manuals