EasyManua.ls Logo

IHI IC50 - Change the Coolant

Default Icon
104 pages
Print Icon
To Next Page IconTo Next Page
To Next Page IconTo Next Page
To Previous Page IconTo Previous Page
To Previous Page IconTo Previous Page
Loading...
MAINTENANCE
IC50 ENG 4-21
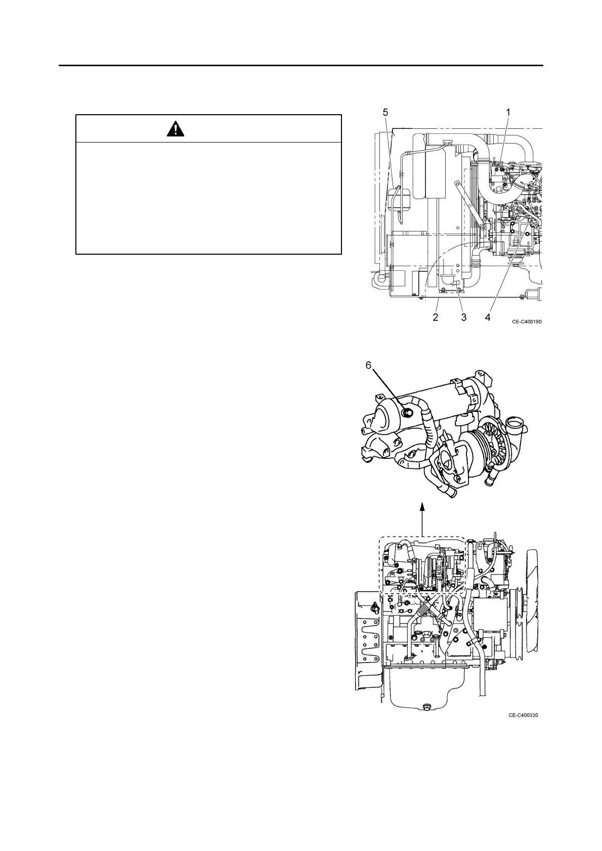
Change the coolant
WARNING
Immediately after the engine stops, coolant is
hot. If coolant is discharged immediately, you
may get burnt. Change coolant after the engine
cools down.
Do not remove the cap when the radiator
coolant is hot. Hot water may spout out.
Rotate the cap slowly to relief the pressure after
the coolant temperature lowers.
1. Open the engine cover and rotate the radiator cap (1)
slowly to remove it.
2. Remove the cover (2). Loosen the drain cock (3) at
the bottom of the radiator to discharge coolant into the
container.
3. Loosen the drain cock (4) of the engine cylinder block
to discharge coolant into the container.
4. Close the drain cocks (3) and (4) after discharging
coolant.
5. Mix city water and the necessary quantity of Long-Life-
Coolant. Fill solution up to the opening of the radiator.
Fill solution slowly to prevent air from being mixed in
solution.
6. Discharge coolant from the reserve tank (6), clean the
inside of the tank, and fill it with mixed solution of city
water and Long-Life-Coolant up to the FULL level.
7. Loosen the air bleeder plug (7) of the EGR cooler to
discharge air from the EGR cooler.
Tighten the air bleeder plug if coolant overflows from
the air bleeder plug. If the air bleeder plug is loosened,
replace the copper packing with new packing.
Overflowed coolant may cause a fire, etc. Be sure to
wipe it off.
8. Refill the radiator and reserve tank with coolant.
9. Keep the engine idling for 5 minutes or less with the
radiator cap removed to discharge air from the cooling
system.
10. Stop the engine. Check the coolant level after the
engine cools down.
Refill coolant if insufficient. Tighten the radiator cap
then.

Table of Contents

Related product manuals