EasyManua.ls Logo

Jntech JNP11KH-V4 - Page 50

Default Icon
76 pages
Print Icon
To Next Page IconTo Next Page
To Next Page IconTo Next Page
To Previous Page IconTo Previous Page
To Previous Page IconTo Previous Page
Loading...
·49·
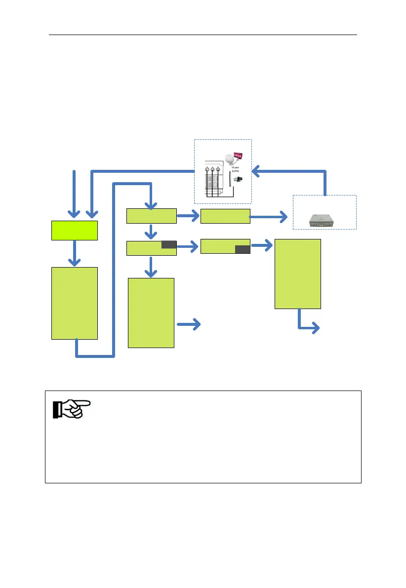
10.4.3 The test of motor parameters and commissioning
After modify the motor parameters, long-press the “ON/OFF” button to enter
into testing status of motor parameters, when test succeed, then press
“ENTER” to run, the details as below showed.
Testing...
Test Finish
YES
Start Up?
NO
ENTER
Pin 0W
R-Mode MPPT
Iin 0A
Vin 0V
Iaout 0A
Fout 0 .00Hz
Run/Stop Run
D-Mode
Auto
OF-F
Off
DOWN
Test Finish
YES
Start Up?
NO
Inverter is on automode,
start to autorun
Pin 0W
R-Mode MPPT
Iin 0A
Vin 0V
Iaout 0A
Fout 0 .00Hz
Run/Stop Stop
D-Mode
Auto
OF-F
Off
Press ON/OFF for 4S
Test Fail
Initialize
Waiting...
Inverter is
power on
firstly
Pin 0W
R-Mode MPPT
Iin 0A
Vin 0V
Iaout 0A
Fout 0 .00Hz
Run/Stop Stop
D-Mode
Auto
OF-F
Off
ENTER
Please check outwire
connection
If connection is OK,
please switch on PV
combine box
Inverter is on
stopmode.
Please switch off
PV combine box
The test of motor parameters and commissioning sketch figure
Notice!
1.If the test failed, please check whether the inverter output and the motor wiring
connection is in good condition or not, and AC breaker (if has) should be on!
2..After the motor parameters test successfully, then choose “YES” and press “ENTER”
to start up.
3. Press "ON / OFF" for one second, to shut down the inverter.
NoticeMotor parameters’ testing must be done again when change pump,
please ensure motor parameters’ reset before re-testing! Re-testing

Table of Contents

Related product manuals