EasyManua.ls Logo

Keithley 617 - Page 162

Keithley 617
183 pages
Print Icon
To Next Page IconTo Next Page
To Next Page IconTo Next Page
To Previous Page IconTo Previous Page
To Previous Page IconTo Previous Page
Loading...
PI0
+I>”
,- MAIN POWER SiJPPLY -,
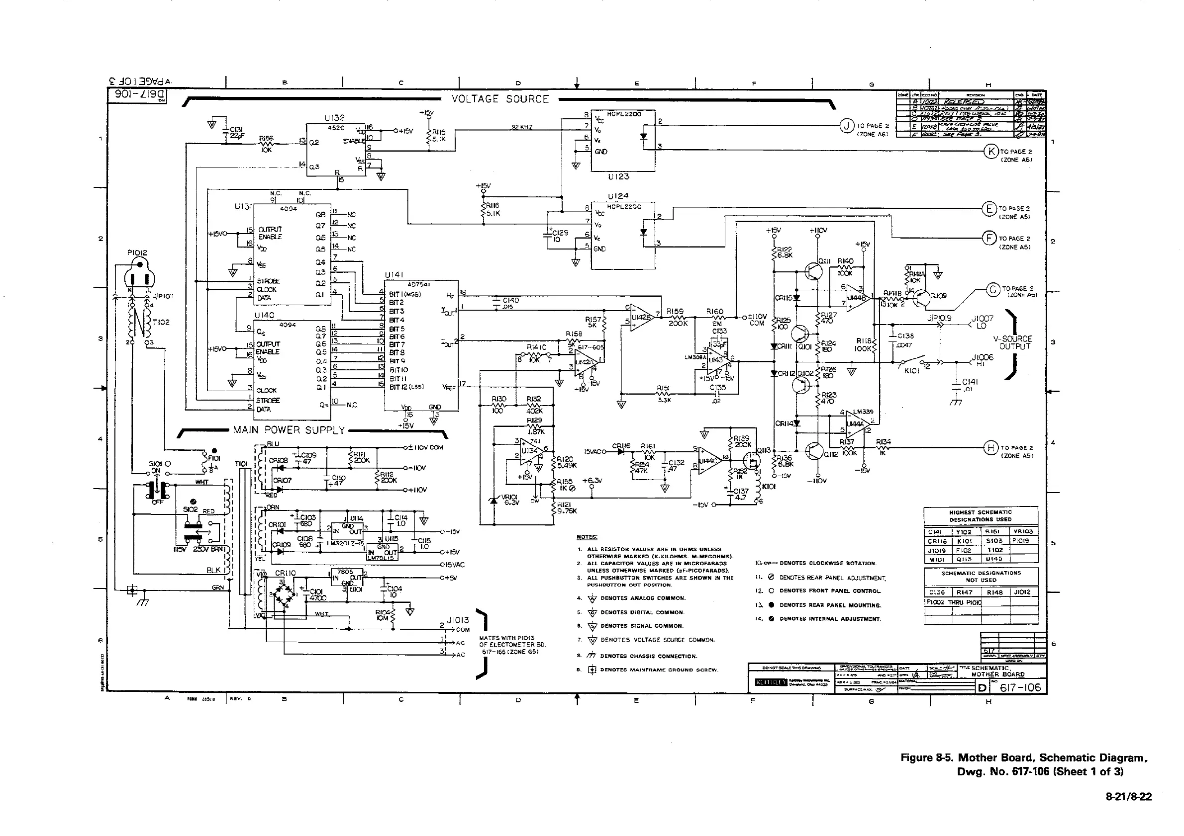
Figure 8-5. Mother Board, Schematic Diagram.
Dwg. No. 617-106 (Sheet 1 of 3)
a-21 16-22

Table of Contents

Other manuals for Keithley 617

Related product manuals