EasyManua.ls Logo

KENT Razor 20 - WIRING DIAGRAM (for Razor 20)

KENT Razor 20
50 pages
Print Icon
To Next Page IconTo Next Page
To Next Page IconTo Next Page
To Previous Page IconTo Previous Page
To Previous Page IconTo Previous Page
Loading...
ELECTRICAL SYSTEM
ENGLISH
SERVICE MANUAL
44
9097065000(2)2009-06 Razor™ 20 / 20T
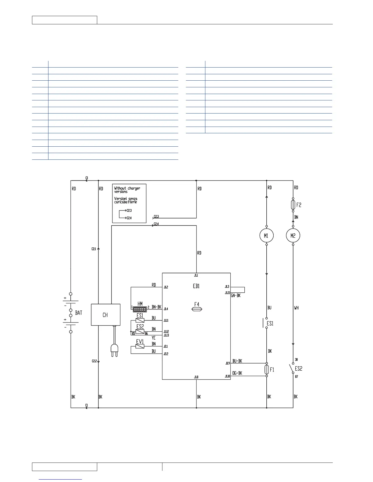
WIRING DIAGRAM - Razor™ 20
Key
BAT 24 V battery
C1 Battery connector
C2 Battery charger connector
CH Battery charger
CS Deck connector
EB1 Function electronic board
ES1 Brush electromagnetic switches
ES2 Vacuum system relay
EV1 Water solenoid valve
F1 Deck fuse
F2 Vacuum system fuse
F4 Signal circuit fuse
HM Hour counter (optional)
M1 Brush/pad-holder motor
M2 Vacuum system motor
Colour codes
BK Black
BU Blue
BN Brown
GN Green
GY Grey
OG Orange
PK Pink
RD Red
VT Violet
WH White
YE Yellow
S301575A

Table of Contents

Related product manuals