EasyManua.ls Logo

Keysight Technologies N6705C - Status Diagram

Keysight Technologies N6705C
476 pages
Print Icon
To Next Page IconTo Next Page
To Next Page IconTo Next Page
To Previous Page IconTo Previous Page
To Previous Page IconTo Previous Page
Loading...
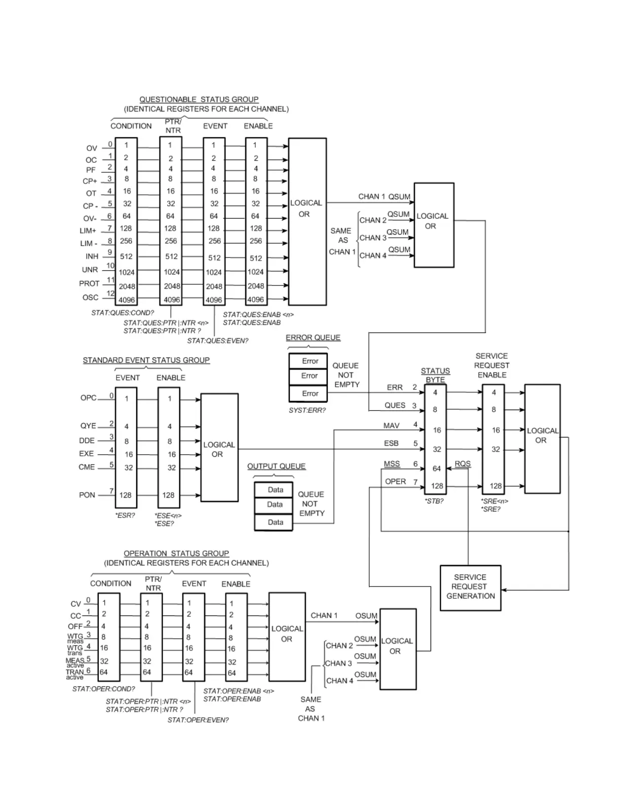
Status Diagram
Keysight N6705C Operating and Service Guide 353
7 SCPI Programming Reference

Table of Contents

Related product manuals